主題內容與適用范圍
本標準規定了開放一體型電動送風過濾式防塵呼吸器的分類、性能及檢驗方法等內容。本標準適用于空氣中含粉塵及微粒的作業現場。
本標準不適用于空氣中含氧量低于18%;空氣中含有毒微粒超過TJ36規定的場所及可能引起爆炸的作業場所。
2 引用標準
GB2811 安全帽
GB2812 安全帽試驗方法
GB3609.1 焊接護目鏡和面罩
GB4015 爐窯護目鏡和面罩
GB6220~6221 長管面具及其性能試驗方法
LD6 電動送風過濾式防塵呼吸器通用技術條件
TJ36 工業企業設計衛生標準
3 分類與結構
3.1 呼吸器按產品用途分為焊接用、爐窯用及一般用三類。
3.2 焊接用、爐窯用呼吸器結構見圖1、2。一般用呼吸器結構見圖3。

圖1 呼吸器結構
1―面罩;2―目鏡;3―壓墊;4―連接螺栓;5―連接螺母;6―墊片;7―帽箍;8―風葉;9―電機;10―電機架;11―壓圈;12―濾膜;13―護膜網;14―后蓋

圖2 焊接及爐窯用呼吸器
1―面罩;2―目鏡;3―帽殼;4―風機;5―過濾器;6―電池

圖3 一般用呼吸器
1―面罩;2―目鏡;3―帽殼;4―風機;5―過濾器;6―電池
4 技術要求
面具除滿足LD6標準第5條要求外,還應滿足如下要求。
4.1 罩內噪聲不得大于75dB(A)
4.2 呼吸器帽殼與帽箍之間的垂直間距、水平間距、佩戴高度、帽箍尺寸及顏色均符合GB2811之規定。
4.3 焊接用呼吸器觀察窗、濾光片、保護片的尺寸要吻合,固定裝置可靠,不得從縫隙中漏入輻射光。護目鏡不得因鏡框受熱使鏡片脫落。接觸面部的部分不得有棱角。
觀察窗尺寸不小地50×108mm;濾光鏡到眼距離不大于45mm;面罩鏡框上、下掀動方便,掀開角度為90±5°。濾光片及保護片性能、尺寸均按GB36091.1選取。
4.4 爐窯用呼吸器附符合本標準4.3有關要求外,觀察窗尺寸不小于50×150mm;濾光鏡到眼間距離不大于45mm,其性能規格按GB4015規定選取。
4.5 一般用呼吸器護目鏡一般為無色透明材料,其可見光透過率大于85%,平均棱角度小于1/6。視野應滿足表1要求。
表1

4.6 鏡架的金屬部分應符合GB3609.1。
4.7 帽殼外型尺寸按GB2428規定頭型制作。
4.8 電動機額定功能N≥1W;額定電流I≥0.30A;額定電壓U≥4V;額定轉速n≥10000r/min。其耐用時間大于500h。
電動機噪聲不大于65dB(A)。電源電壓4~4.5V。
4.9 過濾材料的過濾效率不小于99.0%。
4.10 呼吸器有沖擊吸收性能、耐穿透性能、側向剛性及耐燒性,電絕緣性要求時應符合GB2811要求。
5 檢驗規則
5.1 產品必須經國家指定的監督檢查部門按本標準進行檢查。
5.2 出廠檢驗
產品除按LD6第7.2條規定進行檢驗外,還應進行如下檢查。
5.2.1 產品按本標準第4.1條規定進行檢驗,其合格質量水平AQL=2.5;檢查水平IL=11。抽樣方案及判定數組同LD6第7.2條。
5.3 型式檢驗
5.3.1 檢驗項目為本標準第4條全部技術性能,試驗方法采用LD6第6條規定進行。
5.3.2 型式檢驗規則按LD6第7.3條進行。
5.4 產品按本標準規定批量抽檢后,如不合格應再取雙倍產品復驗,復驗后仍有一項不合格者,該產品為不合格。
6 標志、包裝及運輸
6.1 標志按LD6第8條規定標記。
6.2 凡符合本標準4.10條要求者,必須在呼吸器醒目處按規定標明“A”,“CG”,“R”及“D”字樣。
6.3 包裝也應符合LD6第8條要求。
6.4 運輸呼吸器要求包裝完整,外包裝嘜頭需注明輕拿輕放,切勿摔碰的統一標記。
附加說明:
本標準由中華人民共和國勞動部職業安全衛生監察局提出。
本標準由勞動防護用品標準化技術委員會歸口。
本標準由冶金部建筑研究總院負責起草。
本標準主要起草人白孝良、王玉榮。
《開放一體型電動送風過濾式防塵呼吸器》編制說明
粉塵污染作業環境,危害勞動者健康一直是工礦企業、施工現場存在的重要問題,急待解決。如焊接煙塵污染問題,早在六十年代我國為解決工作現場粉塵對勞動者的危害進行了大量工作,對焊接煙塵的成分、物理化學性質及煙塵結構進行了分析研究,于1976年首次制定了焊條發塵量指標及測定方法的國家標準(GB981—76)。之后焊接作業整體、局部排煙除塵機組、個體防護的研究及生產有如雨后春筍般出現。特別是八十年代以來,個體防護用具有更新的突破,出現了長管面具、各式防塵口罩、電焊工防塵面罩、爐窯用防塵面罩及一般用防塵面罩,近期仍有單位對此呼吸器的密合型、頭罩型進行了研究及生產,它們均有效地防止了粉塵對勞動者的危害,深受用戶歡迎。
為了進一步提高我國此類呼吸器質量,確保防護效果,早日打入國際市場,盡快趕超世界先進水平,必須制定相應的,先進的國家標準。電動送風過濾式防塵呼吸器分為密合型、開放型及頭罩三大類,而《通用技術條件》標準中僅對三類共有的技術性能進行了規定及相應的試驗方法,但對各類的特殊性能未作規定,而開放型電動送風過濾式防塵呼吸器當時在我國已問世,并銷往全國,對這樣直接關系到勞動者健康的產品必須要制定相應的標準以促進產品質量。故在編制通用技術條件同時編制了開放一體型電動送風過濾式防塵呼吸器標準。
一、 國內外狀況及編制原則
在《電動送風過濾式防塵呼吸器通用技術條件》標準編制說明中已詳盡介紹了此系列產品國外狀況(見表1)。我們通過找英國、日本、西德、法國、美國、蘇聯等6個國家一百多個國內外標準及資料得出結論如下:
1. 國際ISO組織無此類國際標準:
表1 英、法、西德、日本電動送風防塵面具標準

2. 國外先進國家如英、法、西德及日本均有此類產品的通用性國家標準(相當于通用技術條件),未發現分類后的密合型呼吸器、開放型呼吸器及頭罩型呼吸器產品標準。
3. 日本、英國、西德、美國等均有此類呼吸器的使用說明書。
我國八十年代初首先由冶金部建筑研究總院研制、冶金部組織鑒定并生產了焊接用防塵面罩,根據用途又研制生產了爐窯用防塵面罩及一般用防塵面罩,從而使此類產品適用范圍得到擴大,廣銷國內石油、化工、冶金、造船等各行業,目前有些單位也積極組織研制生產此類產品,并在電機、電源方面采取防爆措施,使產品適用礦山井下作業。使用范圍不斷擴大,品種不斷增加,產品尚成熟但有待提高。我國縣以上工礦企業近40%的作業現場受到不同程度的粉塵污染,直接危害勞動者的健康。為了提高生產效率、保證產品質量,必須對勞動保護類用品嚴格要求,制定相應的標準,高標準、嚴要求,促使我國呼吸器早日走在世界前列。真正起到保護勞動者利益的作用。
本標準根據上述國內外資料的調研,采取國內相結合的辦法,參考國外先進標準,結合國內相關標準及國內此類產品水平作為制定本標準的原則。
二、 主要技術性能評價
?。ㄒ唬?名稱
1987年勞動人事部下達課題為《送風防塵面具》國家標準。
本呼吸器為利用無導管的電動風機送風,過濾器除塵,使佩戴者吸到清潔空氣,而佩戴者呼出的氣體及呼吸器內剩余的氣體從顏面與面罩之間排出而粉塵和微粒難于進入個體防護裝置。
通過專家對標準草案稿的函審、討論及對標準送審稿的審定,認為:
1. 原標準名稱《送風防塵面具》包括范圍過大,難與長管面具區分,未明確地將本產品特點表達出來,應修改。
2. 本類產品特點:
?。?) 采用電動風機將供給呼吸器足夠風量。
(2) 提供清潔空氣是將現場污染空氣經過濾而成。故過濾器為必備部分。
?。?) 本產品按勞動用品分類應屬呼吸器。
?。?) 本產品又屬開放一體型,即清潔空氣不需導氣管提供,電動風機及過濾器置于帽殼內部。
故本標準改名為《開放一體型電動送風過濾式防塵呼吸器》。
(二) 防護率、送風量、連續運轉性能、高溫性能、低溫性能,均按LD6-91第五章規定。由于LD6-91主要技術性能是參照日本標準JIS18157—82編寫的,屬國際先進水平,故本標準直接采納。通過對本產品進行大量試驗及驗證工作(見表2)充分證明此標準規定是合理的、先進的,也是現實可行的。在此不詳論述。
表2 國產電動送風過濾式呼吸器防護效率

?。ㄈ?罩內噪聲
開放一體型電動送風過濾式防塵呼吸器主要特點為電動送風機及過濾器置于帽殼內(不用導氣管送氣),故微型電動機及風葉等產生的噪聲,距兩耳極近,對人體危害極大,必須加以控制。
西德DIN58645—84明確罩內不得大于75dB(A)。罩內測試噪聲方法目前我國尚無標準。普通談話聲音在100~4000Hz范圍內,正常人可聽聲音范圍20~20000Hz。由表3不難看出,聽覺安全允許標準一般工作4小時約為85dB(A)。GB3450—82中規定,機車司機室內允許噪聲倍頻帶聲壓級為85dB(A)。由于面具噪聲源距兩耳部邊,又在罩內,對人體影響較大,根據面具現場試用,凡低于75dB(A)的面具,佩戴者均認為此噪聲對人影響不大,故本標準規定罩內噪聲必須不大于75dB(A)為合格。
表3 聽覺安全容許標準

?。ㄋ模?重量
面具重量雖不是技術指標,但它直接影響到使用效果,太重佩戴者感到頭部負擔過重而不愿使用,太輕給制造者帶來極大困難,安全性難于達到。
由表4可知我國此類呼吸器重量優于其它國家。但由于本產品類型多,重量差異大,故本標準不做具體規定,由制造廠與用戶依據用途協商而定,但必須遵循標準總原則。
表4

?。ㄎ澹?過濾性能
?。?) 過濾效率
呼吸器起到防護作用必須具備三個條件:其一從結構設計考慮必須確保有害物質不得進入面罩內,即防護措施好;其二從電動風機選擇考慮必須吸入足夠的風量以在罩內形成微正壓來阻止有害物進入面具內;其三過濾效率高,以保證送入罩內的空氣不含有害物質,而阻力損失小。
由此看出過濾系統密封好、濾料過濾效率高是必備條件,必須選用具有高效率捕集粉塵、流體阻力低、更換簡便、牢固可靠、濾料過濾粒徑范圍0.01~0.5μm以上;透氣量足夠,易清灰,更換方便的過濾材料。
通過試驗(見表5)看出不同濾料本身過濾效率不同,直接影響呼吸器防護效果,因此合理選擇過濾材料是合理的。
表5 濾料效率比較

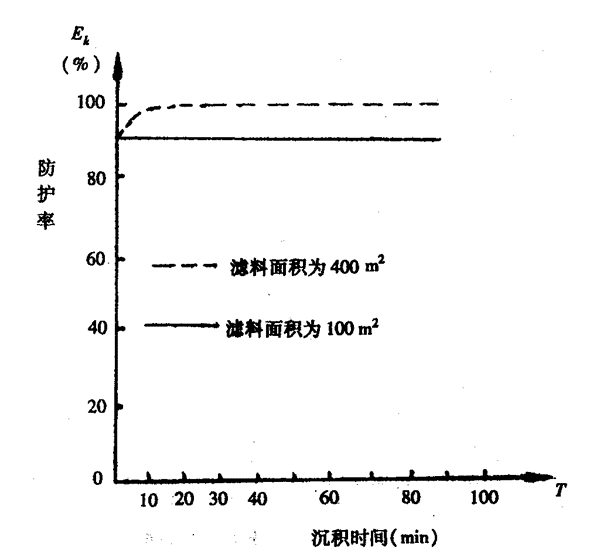
由圖1可知,對于同一種濾料其過濾面積不同,防護率亦不同,合理擴大過濾面積將明顯提高呼吸器防護率。由此看出呼吸器防護率是一項綜合性技術指標。

圖1 濾料面具與防護率關系
?。?) 過濾粉塵性質
不同過濾材料由其本身性質所決定過濾的游離狀粉塵、霧塵、液塵各不盡相同。目前國產的過濾材料對液塵(酸液等)及油漆等揮發物不能過濾,大大影響了濾料的適用范圍。因此日本JIST8157—82適用的有害物質為空氣中游離的粉塵、霧塵和液塵而本標準適用的有害物質為游離的粉塵、霧塵和煙塵。液塵暫不規定原因在此。

圖2 濾料阻力與過濾速度關系
濾料阻力損失取決于濾料本身阻力與濾料粉塵積沉阻力,而粉塵積沉阻力與濾料使用時間有關。對于濾料本身阻力(見圖2)與過濾速度成正比。由圖3可知粉塵負荷隨使用時間增加而不斷增加時,濾料阻力也不斷增加。由圖3可知當濾料使用到一定時后后由于粉塵積沉阻力的增大迫使送風阻力增大,面具送風量勢必減小,當送風量低于最低必需風量后防護率明顯下降,必須更換濾料,否則人將吸入有害物質喪失呼吸器的防護作用。

圖3 濾料阻力損失與粉塵負荷關系
(3) 濾料使用壽命

圖4 積沉時間與防護率關系
由圖4可知當濾料使用一定時間后防護率明顯下降,則必然更換新濾料。根據公式:
T=G÷(L×C)
式中:T——濾料使用壽命(h)
G——濾料上的塵量(kg)
L——平均送風量(m
3/h)
C——容器內空氣含塵濃度(mg/m
3)
由此不難看出:同一濾料使用壽命取決于呼吸器平均送風量和作業現場空氣含塵濃度。對于同一呼吸器而言作業現場空氣含塵濃度成為決定濾料使用壽命的根本因素。因此對此標準中未做具體規定,但在說明書中要明確說明該呼吸器一次充電或更換電池可能使用的時間與粉塵濃度關系,從而可看出在何時濾料就不可使用。
三、 存在問題
綜上所述在本標準諸多技術評價中主要指標均與國外先進國家同類標準相當,但由于產品特點類似,“麻雀雖小五臟俱全”,幾個關鍵部件有待提高和完善。因而迫使本標準指標不易過高。
?。ㄒ唬?電動機有待提高
電動機是本產品的關鍵,需要體積小、重量輕、噪聲小、價格低。
體積小、重量輕,目前國產電機尚可滿足。
噪聲小難于實現,目前國家微型電機有的雖然噪聲可達到,但重量大易振動,對于作業現場使用的呼吸器,必須耐振;有的電機雖然噪聲小但壽命太短,也不適用于本呼吸器中,因此真正能做到上述諸條件,有待國產電機質量的提高。
?。ǘ?過濾材料有待提高
前文已論述,國產濾料在捕集粉塵、濾料強度及使用范圍均有待提高。
?。ㄈ?電源有待提高
目前國產電源不外乎干電池、蓄電池、充電電池等,但一次干電池有效使用時間過短,用戶使用太麻煩;高效充電干電池價格高,難于推廣使用;蓄電池絕大部分為不密封式,對于本呼吸器電源可在帽殼內也可攜帶在腰間,但無論在何處不封閉的蓄電池均不可取,因此,國產理想的電源有待提高。
盡管有上述種種不足之外,但我們深信,隨著我國四化建設、改革開放的深入開展,隨著勞動保護地位的不斷提高,我國的開放一體型電動送風過濾式防塵呼吸器必將得到發展、提高和完善。我們的標準為提高中華民族的健康水平,為使我國盡快跨入世界先進行列作出貢獻。