根據液化石油氣儲配站工作任務的要求,站內須設立必要的操作崗位,安裝盛裝和輸送液化石油氣的設備及工藝管路。各操作崗位相互配合和銜接,各工藝設備通過管路相互連接,以保證工作任務的需要。
一、液化石油氣儲配站操作崗位設置
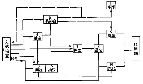
液化石油氣儲配站的操作崗位,主要有入站檢查、裝卸、抽殘抽空、鋼瓶稱重、灌裝、二次檢斤、罐區操作和汽化輸配等崗位。
如圖1-5-1所示,罐車進站前需經入站檢查崗位1對車罐漆色標志、防火帽、罐車使用證、防護器材和駕駛員、押運員證件等情況進行逐項檢查核實合格后,方可進入裝卸臺6裝卸液化石油氣。
待裝卸完畢后退回入站檢查1,檢查裝卸重量、壓力、液位等記錄內容,符合規定的出站。卸完后的罐車若不再外出,可進入車庫11存放。
鋼瓶由入站檢查1進入外觀檢查登記,符合充裝條件者,送稱重崗位2稱量空瓶重量;需抽空或抽殘液的待抽空、抽殘后再稱重。稱重后的鋼瓶核定充裝重量并在記錄表填明,進灌裝崗位8,充裝后鋼瓶做二次檢斤2,合格后由崗位1辦理發瓶手續,用戶帶回。對超重或出現泄漏的鋼瓶送回崗位3進行卸液處理。機泵9和儲罐12崗位在罐車裝卸和鋼瓶充裝等操作過程中密切注意機、泵和儲灌的壓力、液位情況,并負責向汽化崗位10供應液化氣,以滿足生產窯爐使用。
二、液化石油氣儲、灌工藝流程
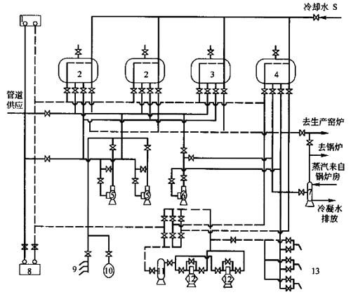
液化石油氣儲、灌工藝流程,一般采用烴泵——壓縮機聯合系統。常見的中小型液化石油氣站儲、灌工藝流程如圖1-5-2所示。
?

1.儲存線路
①來自管路輸送的液化石油氣在壓力作用下,可直接進入儲罐2、3儲存。
②鐵路罐車在卸臺1由壓縮機12或烴泵5卸入儲罐2、3儲存,也可由烴泵-壓縮機聯合卸入。
③汽車罐車在裝卸臺8可由烴泵5或壓縮機12把液化石油氣卸入儲罐2儲存和中間儲罐3使用。
2.灌裝線路
①向汽車罐車內灌裝可由烴泵-壓縮機聯合進行,也可單獨進行。
②向鋼瓶內灌裝可在機械化灌裝臺10或手動灌裝9進行操作。
3.生產使用線路
①直接利用 將中間儲罐或儲罐內的氣態液化氣經氣相管路直接送往生產窯爐使用。
②汽化使用 在環境溫度較低或液化石油氣質量較差的情況下,可用烴泵先將儲罐內的液態液化石油氣輸往汽化器汽化后送往生產窯爐。
4.殘液回收利用
(1)回收鋼瓶內殘液 利用壓縮氣體(來自10)將鋼瓶抽殘架13內殘液壓入殘液罐4。
(2)回收儲罐或罐車中的殘液 儲罐或罐車中的殘液可由殘液泵6抽往殘液罐4。
(3)殘液利用 用殘液泵6將殘液罐內的液體輸往蒸發器7加熱汽化后,送往鍋爐或廚房做燃料使用。
?

科技賦能,AI強安——談AI技術在石油…
危險化學品安全技術說明書(PDF版)
170種危險化學品安全技術說明書匯編
化工企業冬季安全生產須知——防火篇
化工企業冬季安全生產須知——防凍凝篇
有限空間作業如何預防窒息和中毒
有限空間作業切記注意安全!
夏季有限空間作業安全風險防范
危險化學品目錄(2015版)
危險化學品分類及其危險特性
對制度落實不到位的原因調查及解決辦…
職工安全生產的權利和義務
危險化學品的儲存
有限空間作業安全知識
柴油罐的存放
加油站安全知識手冊