一、自然氣化
液態液化石油氣吸收本身的顯熱,或通過器壁吸收周圍的熱量而進行的氣化,稱為自然氣化。
自然氣化方式多用于居民用戶和用氣量不大的商服用戶及小型工廠的供應系統中。
自然氣化的特點
1.氣化能力的適應性容器或儲罐內的液相液化石油氣利用顯熱的氣化量及原有容器內氣體因降低壓力向外導出的氣體量與依靠傳熱的氣化量性質不同,前兩部分氣化量決定于容器內的液體量、內容積、液溫變化及壓力變化等條件,而與時間無關。因此可以在短時間內采用較大的氣化量,如果減少或停止氣化量,液溫可以回升,那么還可以再利用由此積蓄起來的顯熱在短時間內以較大的速度氣化。也就是說,這種氣化方式的氣化能力,根據實際條件具有一定的緩沖性質,這種性質稱為氣化能力的適應性,這是自然氣化的一個重要特性。
對于一般居民用戶,一天有幾個用氣量高峰,要求短時間內用氣量較大,而大部分時間用氣量較小;對于工業用戶的加熱爐,在開始升溫時用氣量較大,而當爐溫達到要求時,用氣量較小,對這類短時間內需要消耗大量液化石油氣的設備,即可以利用氣化能力的適應性來確定需要的容器數。
2.氣化過程是不穩定過程容器中氣相不斷被引出,液相會不斷氣化為氣相,液相不斷減少。因此氣化能力也會隨之減少;當液化石油氣是非單一成分時,氣化過程引出的氣相或仍存留在容器內的氣相和液相的組成都要發生改變。輕組分會減少,重組分會增加,因此容器中的飽和蒸氣壓會逐漸降低。
3.再液化問題自然氣化時,如果液溫與環境溫度相同,氣化后的氣體的壓力就相當于那時環境溫度下的飽和蒸氣壓。因此,只要從容器的出口至調壓器入口的高壓管道也在同樣的環境溫度下,氣態液化石油氣就不會在這段管段內出現再液化現象。
在實際使用液化石油氣時,主要是依靠傳熱獲得氣化潛熱,液溫一般都低于環境溫度。在這個液溫下氣化的飽和蒸氣,由容器排出后,處在比氣化時溫度高的環境溫度下,即液化石油氣蒸氣在管道內處于過熱狀態,因此也不會發生再液化現象。但是如果長時間停留在輸氣管道內(例如夜間不用氣的情況下),而周圍環境的溫度又在逐漸下降,當溫度低于該壓力下的蒸氣露點時,一部分氣體就要再液化而滯留于低處。不過像一般的瓶裝供應,這部分管道較短,凝結量也極少,而且當再次使用液化石油氣時會立即氣化,實際上無任何影響。
根據上述情況,自然氣化方式一般不必特別考慮再液化問題。但是在容器內氣化了的液化石油氣,如以很高的蒸氣壓長距離輸送,而且高壓管道部分的環境溫度比氣化容器的環境溫度低,那么這部分氣體就會出現再液化現象。
二、強制氣化
強制氣化就是人為地加熱從容器內引出的液態液化石油氣使其氣化的方法。氣化是在專門的氣化裝置(氣化器)中進行的。
在實際工程中,當液化石油氣用量較大,采用自然氣化很不經濟或生產工藝要求液化石油氣熱值穩定時,多采用強制氣化。
(一)強制氣化的特點
1.對多組分的液化石油氣,如采用液相導出強制氣化,則氣化后的氣體組分始終與原料液化石油氣的組分相同。因而可向用氣單位供應組分、熱值和容重穩定的液化石油氣。
2.通常在不大的氣化裝置中可氣化大量液體,以滿足大量用氣的需要,而不像自然氣化那樣,氣化量受容器個數、濕表面積大小和外部氣候條件等限制。
3.液化石油氣氣化后,如仍保持氣化時的壓力進行輸送,則可能出現再液化問題。為防止再液化必須使已氣化了的氣體盡快降到適當壓力,或者繼續加熱提高溫度,使氣體處于過熱狀態后再輸送。
(二)強制氣化的工藝流程
在強制氣化系統中,液化石油氣從容器中進入氣化器的方式有下列幾種:依靠容器自身的壓力(等壓強制氣化);利用烴泵使液態液化石油氣加壓到高于容器內的蒸氣壓后送入氣化器,使其在加壓后的壓力下氣化(加壓強制氣化);液態液化石油氣依靠自身壓力從容器進入氣化器前先進行減壓(減壓強制氣化)。
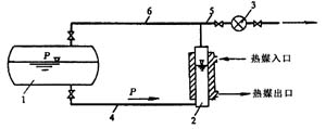
1.等壓強制氣化如圖1-9-1所示。容器1內的液態液化石油氣,依靠自壓P送入氣化器2,進入氣化器的液體從熱媒獲得氣化潛熱,氣化壓力為P的氣體經調壓器3調節到管道要求的壓力輸送給用戶。
2.加壓強制氣化如圖1-9-1所示。容器1內的液化石油氣由泵4加壓到P′送入氣化器2,在氣化器內,在P′的壓力下氣化,然后由調壓器3調節到管道要求的壓力輸送給用戶。
?

當用戶用氣量減少或停止使用時,氣化器導出的氣體減少或停止,氣化器內的壓力會升高,將進入氣化器的液態液化石油氣通過圖1-9-2中的回流管8壓回容器,氣化器內液位下降,傳熱面積減小,氣化速度減小。當氣化器導出氣體增加時,氣化器的液位會自動上升,傳熱面積增大,氣化速度增加。
?

氣化器具有負荷自適應特性:這是指當用氣量減少時,氣化器內液化石油氣氣相壓力升高。在達到以至超過液相進入壓力時,將阻止液相繼續進入并將液相推回進液管,從而使氣化器中液相傳熱面積減少,氣化量減少。當用氣量增大時,則發生相反的過程。這即是氣化器對于負荷變動相應自動調整產氣量的一種適應特性。
3.減壓強制氣化如圖1-9-3所示。液體在進入氣化器前先通過減壓閥4減壓,再在氣化器內氣化。在這種流程中,當導出氣體減少或停止時,氣化器內壓力升高,則通過回液閥將液體導回容器,通過減少傳熱面積而降低氣化速度。
?

三、氣化器
氣化器按載熱體的不同可分為水蒸氣、熱水、電熱和火焰式等。按換熱的形式可以分為蛇管式、列管式、U形管式和套管式等。
科技賦能,AI強安——談AI技術在石油…
危險化學品安全技術說明書(PDF版)
170種危險化學品安全技術說明書匯編
化工企業冬季安全生產須知——防火篇
化工企業冬季安全生產須知——防凍凝篇
有限空間作業如何預防窒息和中毒
有限空間作業切記注意安全!
夏季有限空間作業安全風險防范
危險化學品目錄(2015版)
危險化學品分類及其危險特性
對制度落實不到位的原因調查及解決辦…
職工安全生產的權利和義務
危險化學品的儲存
有限空間作業安全知識
柴油罐的存放
加油站安全知識手冊