根據載熱體(道生油)的性質和加熱爐熱油系統的特點,結合以往發生的事故進行危險分析,提出道生油加熱爐安全操作方法。
??? 1前言
??? 載熱體加熱在石油化工等行業有著廣泛的應用,在諸多載熱體中,上聯苯和聯苯醚組成的道生油因其具有熱穩定性好、高溫下蒸氣壓低、燃燒和爆炸的危險性小、腐蝕性小、毒性小等特點而常常用于硬化生產裝置中。
??? 某石化裝置采用由質量分數為26.5%的聯苯和質量分數為73.5%的聯苯醚組成的道生油(以下簡稱熱油)作為載熱體,由于對載熱體性質未能全面了解以及爐子本身設計缺陷等,裝置自投運以來曾發生過兩次火災事故,均造成裝置長期停車搶修,嚴重影響了全裝置的正常安全運行。
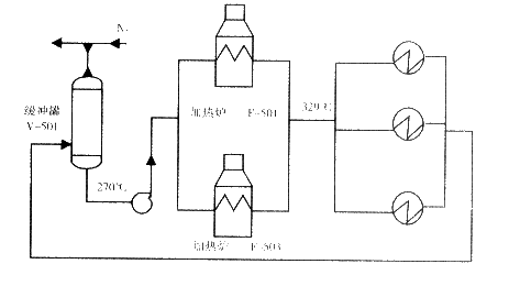
??? 裝置熱油系統的基本流程圖如圖1所示。其中加熱爐F-501為裝置建成時從國外進口的,設計熱負荷為158×106kJ/h,高度與直徑比為2.95(27475mm/9310mm),超過國內設計標準,幾乎達到國外設計標準極限。
??? 
?? 圖1 熱油系統的基本流程圖
??? 2載熱體、工藝過程的危險分析及控制措施
??? 2.1載熱體的熱穩定性
??? 該裝置熱油使用溫度在350~370℃之間(加熱爐出口溫度320℃左右,爐管膜溫在370℃左右),預期使用壽命在4~5年。不同操作溫度下使用的熱油預期使用壽命如表1所示。
??? 表1 不同操作溫度下使用的熱油預期使用壽命
??? 
??? 熱油的穩定性好是作為導熱油的主要依據之一。如果熱油中混入其它油品,就會降低其熱穩定性,加速殘碳的生成,縮短熱油使用壽命,威脅裝置的正常安全運行。
??? 從表1可看出,如果熱油使用溫度上升,裂解速度將大大加快,因此在操作過程中應加強使用溫度的控制。
危險化學品泄漏應急響應和處置措施
液氨儲罐風險點告知卡
低溫甲醇洗消耗偏高原因及解決措施
裝卸搬運作業安全風險告知卡
檢維修作業安全風險告知卡
蒸化作業安全風險告知卡
刷毛作業安全風險告知卡
整經作業安全風險告知卡
受限空間作業安全要求
進入有限空間作業注意事項及預防措施
應急救援預案演練評價報告記錄
天然氣危險性分析
化驗室潛在安全隱患與防護措施
埋地燃氣管道的安全間距控制
危險源辨識及風險控制
重大危險源辨識、評價及監控