前言
根據《中華人民共和國大氣污染防治法》第七條的規定,制定本標準。
本標準在原有《工業爐窯煙塵排放標準》(GB 9078-88)和其它行業性有關國家大氣污染物排放標準(工業爐窯部分)的基礎上修訂。本標準在技術內容上與原有各標準有一定的繼承關系,亦有相當大的修改和變化。
本標準規定了10類19種工業爐窯煙(粉)塵濃度、煙氣黑度、6種有害污染物的最高允許排放濃度(或排放限值)和無組織排放煙(粉)塵的最高允許濃度。
本標準從1997年1月1日起實施;
本標準從實施之日起,同時代替:
GB 4286-84 《船舶工業污染物排放標準》(有關工業爐窯部分);
GB 4911-85 《鋼鐵工業污染物排放標準》(有關工業爐窯部分);
GB 4912-85 《輕金屬工業污染物排放標準》(有關工業爐窯部分);
GB 4913-85 《重有色金屬工業污染物排放標準》(有關工業爐窯部分);
GB 4916-85 《瀝青工業污染物排放標準》(有關工業爐窯部分);
GB 9078-88 《工業爐窯煙塵排放標準》。
本標準從實施之日起,GB 9078-88同時廢止,其它上述各標準中的有關工業爐窯部分亦同時廢止。
本標準由國家環境保護局科技標準司提出;
本標準由國家環境保護局負責解釋。
1 范圍
本標準按年限規定了工業爐窯煙塵、生產性粉塵、有害污染物的最高允許排放濃度、煙氣黑度的排放限值。
本標準適用于除煉焦爐、焚燒爐、水泥廠以外使用固體、液體、氣體燃料和電加熱的工業爐窯的管理,以及工業爐窯建設項目的環境影響評價、設計、竣工驗收及其建成后的排放管理。
2 引用標準
下列標準所包含的條文,通過在本標準中引用而構成為本標準的條文。
GB 3095-1996 環境空氣質量標準
GB-T 16157-1996 固定污染源排氣中顆粒物測定與氣態污染物采樣方法
3 定義
本標準采用下列定義:
3.1 工業爐窯
工業爐窯是指在工業生產中用燃料燃燒或電能轉換產生的熱量,將物料或工件進行冶煉、焙燒、燒結、熔化、加熱等工序的熱工設備。
3.2 標準狀態
指煙氣在溫度為273K,壓力為101325Pa時的狀態,簡稱“標志”。本標準規定的排放濃度均指標準狀態下的干煙氣中的數值。
3.3 無組織排放
凡不通過煙囪或排氣系統而泄漏煙塵、生產性粉塵和有害污染物,均稱無組織排放。
3.4 過量空氣系數
燃料燃燒時實際空氣需要量與理論空氣需要量之比值。
3.5 摻風系數
沖天爐摻風系數是指從加料口等處進入爐體的空氣量與沖天爐工藝理論空氣需要量之比值。
4 技術內容
4.1 排放標準的適用區域
4.1.1 本標準分為一級、二級、三級標準,分別與GB 3095中的環境空氣質量功能區相對應:
一類區執行一級標準;
二類區執行二級標準;
三類區執行三級標準。
4.1.2 在一類區內,除市政、建筑施工臨時用瀝青加熱爐外,禁止新建各種工業爐窯,原有的工業爐窯改建時不得增加污染負荷。
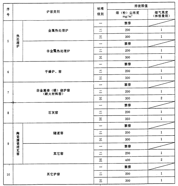
4.2 1997年1月1日前安裝(包括尚未安裝,但環境影響報告書(表)已經批準)的各種工業爐窯,煙塵及生產性粉塵最高允許排放濃度、煙氣黑度限值按表1規定執行。
表1

表1續

注:欄中斜線系指不監測項目,下同。
4.3 1997年1月1日起通過環境影響報告書(表)批準的新建、改建、擴建的各種工業爐窯,其煙塵及生產性粉塵最高允許排放濃度、煙氣黑度限值,按表2規定執行。
表2

表2(續)

注*僅限于市政、建筑施工臨時用瀝青加熱爐。
4.4 各種工業爐窯(不分其安裝時間),無組織排放煙(粉)塵最高允許濃度,按表3規定執行。
表3

4.5 各種工業爐窯的有害污染物最高允許排放濃度按表4規定執行。
表4

注:*僅限于市政、建筑施工臨時用瀝青加熱爐。
4.6 煙囪高度
4.6.1 各種工業爐窯煙囪(或排氣筒)最低允許高度為15m。
4.6.2 1997年1月1日起新建、改建、擴建的排放煙(粉)塵和有害污染物的工業爐窯,其煙囪(或排氣筒)最低允許高度除應執行4.6.1和4.6.3規定外,還應按批準的環境影響報告書要求確定。
4.6.3 當煙囪(或排氣筒)周圍半徑200m距離內有建筑物時,除應執行4.6.1和4.6.2規定外,煙囪(或排氣筒)還應高出最高建筑物3m以上。
4.6.4 各種工業爐窯煙囪(或排氣筒)高度如果達不到4.6.1、4.6.2和4.6.3的任何一項規定時,其煙(粉)塵或有害污染的最高允許排放濃度,應按相應區域排放標準值的50%執行。
4.6.5 1997年1月1日起新建、改建、擴建的工業爐窯煙囪(或排氣筒)應設置永久采樣、監測孔和采樣監測用平臺。
5 監測
5.1 測試工況:測試在最大熱負荷下進行,當爐窯達不到或超過設計能力時,也必須在最大生產能力的熱負荷下測定,即在燃料耗量較大的穩定加溫階段進行。一般測試時間不得少于2h。
5.2 實測的工業爐窯的煙(粉)塵、有害污染物排放濃度,應換算為規定的摻風系數或過量空氣系數時的數值:
沖天爐(冷風爐,鼓風溫度≤400℃)摻風系數規定為4.0;
沖天爐(熱風爐,鼓風溫度>400℃)摻風系數規定為2.5;
其它工業爐窯過量空氣系數規定為1.7。
熔煉爐、鐵礦燒結爐按實測濃度計。
5.3 無組織排放煙塵及生產性粉塵監測點,設置在工業爐窯所在廠房門窗排放口處,并選濃度最大值。若工業爐窯露天設置(或有頂無圍墻),監測點應選在距煙(粉)塵排放源5m,最低高度1.5m處任意點,并選濃度最大值。
6 標準實施
6.1 本標準由縣級以上人民政府環境保護行政主管部門負責監督實施。
6.2 位于國務院批準劃定的酸雨控制區和二氧化硫污染控制區內的各種工業爐窯,SO2的排放除執行本標準外,還應執行總量控制標準。
牙膏中4-氨甲基環己甲酸(凝血酸)的…
塑料保鮮盒
牙膏中甲醛含量的測定 高效液相色譜法
眼部護膚化妝品中禁用水溶性著色劑酸…
滌綸牽伸絲
莎稗磷乳油有效成分含量的測定方法 …
禾草敵乳油有效成分含量的測定方法 …
生橡膠 丙烯腈-丁二烯橡膠(NBR)中…
常用化學危險品貯存通則【作廢】
工業管道的基本識別色、識別符號和安…
氣瓶顏色標志【作廢】
危險化學品從業單位安全標準化通用規范
常用危險化學品的分類及標志【作廢】
紡織工業企業安全管理規范
化工企業安全衛生設計規定【作廢】
危險化學品貯存通則