若聯鎖關閉,氣開式控制閥正常操作時,控制閥氣源正常,1-3為通路,2關閉,閥由I/P閥門定位器調節;聯鎖發生時,控制閥氣源進氣改變,2-3為通路,1關閉,氣開式控制閥關閉。若聯鎖打開,氣關式控制閥正常操作時,控制閥氣源正常,1-3為通路,2關閉,閥由I/P閥門定位器調節;聯鎖發生時,控制閥氣源進氣改變,2-3為通路,1關閉,氣關式控制閥打開。
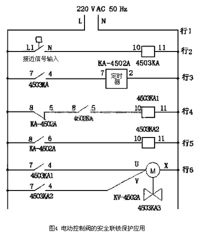
1.2電動控制閥的安全聯鎖保護電動控制閥的電動執行器是以220V交流單項電源作為驅動電源,接受來自調節器的毫安信號或電壓控制信號來進行工作的?,F在國內的電動控制閥大多采用進口的日本工裝電子式電動執行器,電子式控制單元常被設計成黑匣子形式,并用樹脂澆鑄,驅動電機采用交流可逆電機,可以正驅動或反驅動;驅動量的反饋檢測采用高性能的、高可靠性的電位器,以實現控制調節功能。切斷或調節電動控制閥的安全聯鎖保護歸根結底是通過安全聯鎖信號對驅動電機的驅動電源的控制,以實現驅動電機的正轉或反轉,來達到對控制閥的打開或關閉的目的。因此只要將安全聯鎖信號作為接點信號接人電動控制閥的電源控制回路中,當安全聯鎖信號動作時,也就是接點信號動作,使得正驅動電源或反驅動電源接通,實現控制閥的打開或關閉。圖4所示為電動控制閥較復雜的安全聯鎖保護接線圖,通過接入定時器聯鎖控制電動控制閥的打開和關閉。在圖4行2中,引入安全聯鎖保護接點信號,接點閉合時,繼電器4503KA線圈得電,行3中4503KA常開接點7-4閉合,定時器KA-4502A開始計時,行4中4503KA常開接點8-5閉合,繼電器4503KA1線圈得電,行6中4503KA1常開接點7-4閉合,電動控制閥4503KA3正轉,閥門打開;當定時器KA-4502A計時到設定值時,其觸點動作,行4中定時器KA-4502A常聞接點8-5打開,繼電器4503KA1線圈失電,行6中4503KA1常開接點7-4打開,電動控制閥4503KA3正轉失電,同時行5中KA-4502A觸點8-6閉合,繼電器4503KA2線圈得電,行6中4503KA2常開接點7-4閉合,電動控制閥4503KA3反轉得電,閥門關閉。
2信號失效控制閥的安全自鎖保護
???? 控制閥的失效安全自鎖保護是指非安全聯鎖保護信號以外的控制閥本身的控制信號過低或沒有時,執行結構沒有信號動力來源的情況下,控制閥本身對自我安全的一種保護措施。對于氣動控制閥是指當控制閥控制供氣壓低于預先確定的值時,執行機構的活塞或類似膜頭結構會移至氣缸的頂部或底部,充滿供氣壓力的儲氣罐在供氣壓力失去時會給執行機構提供負載壓力,這樣就可以把活塞或膜頭移到所需要的位置;當供氣壓力恢復正常時,自動操作回到原來的控制調節狀態,同時儲氣罐被重新充氣,以備下一次控制閥的失效安全時重新使用。對于電動控制閥是指當控制閥運轉的毫安或電壓輸入信號斷電時,電子執行機構會執行相應的操作,使輸出軸停在相應的位置,而達到控制閥的失效安全時處于安全保護狀態。
2.1信號失效氣動控制閥安全保護氣動鎖定系統與氣動控制閥一起使用時,可以在氣動控制閥失去供氣壓力時鎖定執行機構當前的負載壓力,且這種氣動鎖定系統與儲氣罐一起使用時,在失去氣源壓力時把閥門移至全開、全關或保持原位。在功能上類似的結構也可以提供給薄膜執行機構的控制閥,典型適用于氣缸活塞執行機構的氣動控制閥信號失效安全保護。
2.1.1信號失效氣動控制閥全開或全關安全保護在圖5中,1號管路為儀表供氣管路,2號管路為給氣缸頂部壓力的管路,3號管路為給氣缸頂部控制壓力的管路,4號管路為給氣缸底部壓力的管路,5號管路為給氣缸底部控制壓力的管路,6號為鎖定部件上下膜片來回運動的排氣口,7號為儲氣罐提供給氣缸底部的供氣口,8號為儲氣罐提供給氣缸頂部的供氣口,9號管路為儲氣罐提供給控制部件供氣壓力的管路,10號管路為儲氣罐提供給氣缸頂部或底部供氣壓力的管路。
在圖5中,當控制閥信號失效時,儲氣罐提供氣缸頂部的供氣壓力,氣缸底部的供氣壓力被排空,給氣缸底部和氣缸頂部的控制壓力被阻斷,鎖定部件下膜片的加載壓力被排空,儲氣罐給氣缸頂部提供的壓力,會將閥門推至全關的位置,使控制閥在信號失效時處于關閉的安全狀態。在圖6中,各個數字標志說明同圖5。當控制閥信號失效時,儲氣罐提供氣缸底部的供氣壓力,氣缸頂部的供氣壓力被排空,給氣缸頂部和底部的控制壓力被阻斷,鎖定部件的下膜片的加載壓力被排空,儲氣罐給氣缸底部提供的壓力,會將閥門推至全開的位置,使控制閥在信號失效時處于全開的安全狀態。

常壓爐拆除風險評價及控制措施
廢棄海洋石油平臺的拆除
化工工藝設計風險防范措施研究
加油卡風險分析及應對措施
美國農藥生態風險評價技術
石油工程風險管理措施探討
催化裂化氣壓機喘振原因分析及解決措施
催化氣壓機出口冷卻器換熱管開裂原因…
長輸燃氣管道的安全保護距離
危險化學品安全措施和應急處置
加油站重大危險源分級管理與風險控制…
天然氣管道安全置換方法的探討
淺談加油站安全管理
危化品生產企業安全管理方法
淺議化工企業安全生產管理
化工火災危險性分析