(作者:石偉 王要良 劉玉元)預應力錨固技術是近代巖土工程領域的一個重要分支,在巖土工程中得到了廣泛的應用,并且取得了巨大的成功,在煤礦中的應用也日趨增多。目前,在井下采礦巷道支護中,錨索加固技術已成為一種重要的補強手段。但是,隨著應用的日趨廣泛,錨索安裝的可靠性已經被引起了足夠的重視,如何對已安裝的錨索進行錨固力的拉拔測定,從而對錨索的安裝質量進行評定,已是迫在眉睫。為此,協莊煤礦于2004年1月始進行了認真的研究分析,研制出了SCQ-30型拉拔配套機具——承載器。該機具與MLJ-30型液錨桿拉力計配套使用,取得了顯著的效果。
1檢測機具承載器的工作原理與結構特點
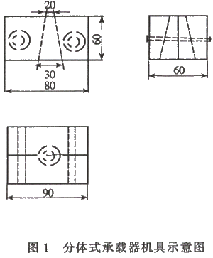
檢測機具承載器為分體式配錐形螺栓結構和整體式結構兩種。操作簡單,而且性能可靠,對于測定錨索的錨固力具有較高的使用價值,可以實現每次測量數據的測讀一次實現。錨索承載器結構見圖1。

承載感壓部分是一個有中錐孔的鋼體。中心孔徑的尺寸是根據穿過的錨索的直徑確定的,使用時孔內密貼錨索的鎖片。這種整體式結構能保證承載體受力明確。承受總壓力的剛性方形承載板,會以不變的有效面積,均勻的把壓力作用到方形承載器上,這對于保證錨力計在不同安裝條件下的測量十分重要。承載器、拉力缸和手壓泵是錨索錨固力測定機具的中樞,它的工作原理搖動手壓泵手柄,通過承載器產生一個對油缸的作用力,此作用即為當前該錨索所能達到的錨固力。當壓力表上的讀數達到所要求的數值后,停止操作,然后慢慢復位。其特點是:
(1)穩定性能好,適用于原位檢測作用,承載器經過一定的熱處理后蠕變極小,能保證其自振頻率的長斯穩定。
(2)抗干擾能力強。能在各種復雜的條件下進行錨索錨固力的檢測。
(3)體積較小,為錨索錨固力的隨時檢測提供了方便??蓡稳瞬僮?,本質安全,省時省力,功效較高。
(4)安裝拆缷方便。安裝極為方便,為防止拉拔后鎖片難以取出,特對承載器進行分析拆缷,進而倒出錐形銷,即可分體,拆缷完成。
2性能
每一套錨索錨固力測力計在裝配完成及使用的過程中,都能充分反映所施工錨索的錨固狀況。對承載器反復進行加壓、缷荷載試驗,直到每次缷載后的零壓輸出頻率相同為止,這是保證錨索錨力計穩定性、重復性、回差等技術指示的必要措施。錨索承載器技術性能見表1。
表1 SCQ-30型拉拔機具—承載器的主要技術參數

承載器在現場配套安裝后,其中心錐孔內錐面及小孔徑上面兩剛性面受承壓力,周邊是自由邊界條件,不存在“匹配誤差”狀況,消除了錨索錨力計隨外界條件等因素而變化的干擾和制約,所以能夠保證錨索錨固力計機具檢測的精度要求,為錨索的施工檢測可靠性提供了前提條件。
3安裝使用及注意事項
(1)錨力計是精密儀器,搬運時應輕拿輕放,運送和安裝過程中要注意對油線的及缸體、油表的保護,不得用力拖拽。錨索承載器安裝見圖2。

(2)對錨墊板及承載板的幾何尺寸、有關技術參數和現場安裝應嚴格要求。①錨力計缸體安裝前必須加裝大于錨索錨具幾何體積尺寸的錨墊板,其外端有效直徑必須略大于錨具外環直徑及長度,保證不會出現自承現象。否則,錨力計的測定數據會失去使用價值。②錨墊板必須有足夠的厚度(剛度),以避免錨索漲拉時,錨墊板中部位置受和后產生撓曲變形,造成作用在錨力計上的軸向力分解,所以應保證錨墊板底座的剛度。③承載器中心孔徑內表面必須平整(不平整≤0.1)、潔凈、光滑。④承載器外表面與穿索孔軸線的不垂直度要<5°。
(3)對承載器的上、下端面絕對不得倒置安裝,小孔徑口朝上,大孔徑口朝下。漲拉油缸時,若加載過快,會使錨力計承受偏載壓力,所以要按照由緩到均勻的順序進行操作。以上各項,在施工操作前要認真準備,施工中要有專人負責。
4試驗效果
為了驗證承載器的研制效果,協莊煤礦在十一層回風下山和31117W運輸巷進行了試驗,試驗效果非??捎^,完全達到了預期的目的,解決了長期以來錨索錨固力檢測困難的難題,給檢測錨索施工的可靠性帶來了便利,為巷道的學問支護創造了有利的條件。目前核機具承載器已有全礦推廣使用,截止2004年3月底,共檢測錨索200余套,檢測出游合格錨索10余套,對不合格錨索重新進行了補打,檢測合格的錨索正在發揮著應有的作用。
5經濟效益
按最低檢測配置計算:原先購置的錨索表屬一次性投入,不可加回收復用。錨索表按600元/塊計,每月施工錨索300余套,按照集團公司技術管理需求,需配置錨索表15塊,月需投入費用近1萬遠左右,年需投入12余年萬無左右;現在研制的承載器屬可重復利用產品,按600元/塊計,掘進專業可一次性投入22塊(每一掘進工作面配置一塊)即可,共計費用1.3萬元左右,而且此產品一次投入,可長期利用;每年可節約購置資金費用最少10萬元左右。
工作面設備拆除施工組織設計及安全技…
恒寶源綜采工作面回撤拆除安全技術措施
水文技術員員崗位風險告知卡
保管員崗位風險告知卡
跟車工司機崗位風險告知卡
通風設施工崗位風險告知卡
衛生清理工崗位風險告知卡
拉力試驗工崗位風險告知卡
習慣性違章作業產生的原因、危害分析…
露天礦開采工藝
安全風險管控措施
礦井停產檢修安全技術措施
非煤礦山常見事故原因分析及防范措施
煤礦井下運輸安全技術措施
探放水設計及安全技術措施
冬季“三防”安全措施