前言
本標準等效采用國際電工委員會標準IEC 839-10-1(1995年12月第1版)《報警系統 第10部分:道路車輛報警系統 第1節:小客車》對GA/T 2—1991《汽車防盜報警器通用技術條件》標準進行了修訂。本標準除引用的標準外,還參考了我國標準GB 15740—1995《汽車防盜裝置性能要求》、歐洲共同體委員會1995年發布的強制性法規95/56/EC的附件Ⅵ《車輛報警系統的范圍、定義和要求》、英國保險業標準《安全系統評價 小客車》(1996年版本2)的有關內容。
本標準與IEC 839-10-1(1995年12月第1版)標準名稱相同、主要技術內容相同、編排順序基本一致。根據我國的有關規定和要求,對相關條文作了適當增補,僅取消了IEC 893-10-1標準原文中可以使用聲響信號裝置顯示非告警信號的有關要求,具體內容與理由詳見正文中各有關條文的采用說明。
本標準與GA/T 2—1991標準的主要不同是:名稱“由汽車防盜報警器通用技術條件”改為“車輛防盜報警系統”;增加了防止誤報警、立體防護、應急報警等項要求;提高了電磁兼容性、工作環境適應性與穩定性、電源電壓適應性、電流消耗等方面的要求;不再采用裝車適應性以及車輛行駛試驗的要求。
須指出的一點是,本標準對發生止動(防止使用發動機)所作的條件限制與已在我國實施多年的GA/T 2—1991標準中允許控制發動機熄火的要求有所不同,而可能影響我國較常采用的在行駛時使發動機熄火,以防止盜竊、搶劫車輛的做法。鑒于此,建議應用此做法的地區另行做出規定,但應對適用此做法的車種、車型以及相應的安裝、使用方法做出具體要求,確保行車安全。
本標準自實施之日起,同時代替GA/T 2—1991。
本標準的附錄A、附錄B都是提示的附錄。
本標準由中華人民共和國公安部提出。
本標準由全國安全防范報警系統標準化技術委員會歸口。
本標準起草單位:88200部隊試制工廠、公安部第一研究所、北京化安電子設備廠。
本標準主要起草人:田競、劉希清、周明錦、李慶昌、靳秀風。
IEC前言
1) IEC(國際電工委員會)是由各國電工委員會(IEC國家委員會)組成的國際性標準化組織。IEC的宗旨是促進在電子與電氣領域內涉及標準化的各方面問題的國際合作。為此目的以及活動的需要,IEC發布國際標準。標準的制定工作由技術委員會來完成,任何對此感興趣的國家委員會均可參與準備工作。與IEC有聯系的官方及非官方的國際機構也可參與該項工作。IEC和國際標準化機構(ISO)緊密協作,并根據兩個組織間的協議取得一致。
2) IEC在技術內容方面的正式決定或協議,盡可能表達出來自各關注該標準的國家委員會的意見,形成國際間的一致看法。
3) 產生的文件具有推薦國際使用的形式,并以標準、技術報告或指南以及在這種意義上能被各國家委員會接受的形式發布。
4) 為促進國際間統一,IEC國家委員會負有在其國家和地區性標準中最大限度地采用IEC國際標準的責任。任何與IEC標準的分歧,都應在對應的國家和地區性標準中明確指出。
5) IEC不提供表示被認可的標志程序,并且不對任何宣稱符合IEC標準之一的設備負責。
6) 下面這種可能性須提請注意:本國際標準的某些內容可能是一些專利權保護項目。但IEC不負責鑒別這樣的專利項目的全部或其中任何一個。
國際標準IEC 839-10-1是由IEC/TC 79:“報警系統”和ISO/TC 22:“道路車輛”聯合工作組制定的。
本標準的文本以下述文件為基礎:

關于批準本標準的所有表決資料可在上表的表決報告中查找。
附錄A為提示的附錄。
IEC引言
由于涉及到道路車輛報警系統的協同一致問題,決定提供一個IEC/ISO的聯合標準。
因為空間防護系統為選用項目,需要單獨試驗,因而除對其使用的探測器應按其自定的技術要求進行試驗外,本標準不要求對空間防護系統進行試驗。但是,在提示的附錄中列出了對空間防護系統進行試驗的示例。
本標準的任何修訂需得到IEC/TC 79和ISO/TC 22的一致同意。
1 范圍
本標準規定了安裝在載人小客車(除駕駛員座位外不多于8座)上的車輛防盜報警系統(以下簡稱VSAS)的技術要求和試驗方法。
本標準的目的是確保VSAS具備高標準的安全性、性能和可靠性以及減少誤報警。
本標準適用于在設置警戒狀態下對未經許可打開任何車門、行李廂門、前蓋或發動機倉蓋的行為實施探測、發出告警信號并能止動車輛的報警系統。
本標準既適用于作為原裝設備的VSAS,也適用于車輛交付后安裝的VSAS。
2 引用標準
下列標準所包含的條文,通過在本標準中引用而構成為本標準的條文。本標準出版時,所示版本均為有效。所有標準都會被修訂,使用本標準的各方應探討使用下列標準最新版本的可能性。
IEC 68-1∶1992 環境試驗 第1部分:總則和導則
IEC 68-2∶1988 環境試驗 第2部分:試驗
IEC 529∶1989 外殼防護等級(IP代號)
IEC 839-1-3∶1988 報警系統 第1部分:一般要求 第3節 環境試驗
CISPR 12∶1997 車輛、汽艇和火花點火發動機驅動裝置的無線電干擾特性的限度與測量方法
ISO 512∶1995 道路車輛 聲響信號裝置 技術要求
ISO 7637-1∶1990 道路車輛 傳導和耦合造成的電騷擾 第1部分:標稱電源電壓12V的客車和輕型商用車——僅沿電源線的電瞬態傳導
ISO 7637-3∶1995 道路車輛 傳導和耦合造成的電騷擾 第3部分:標稱電源電壓12V或24V的車輛——除電源線外由于電容性和電感性耦合的電瞬態傳導
ISO/TR 10605∶1994 道路車輛 靜電放電引起的電騷擾
ISO 11451-1∶1995 道路車輛 窄帶輻射電磁能量造成的電騷擾 車輛試驗方法 第1部分:總則和定義
ISO 11451-2∶1997 道路車輛 窄帶輻射電磁能量造成的電騷擾 車輛試驗方法 第2部分:車外輻射源
ISO 11451-3∶1994 道路車輛 窄帶輻射電磁能量造成的電騷擾 車輛試驗方法 第3部分:車載發射器模擬
ISO 11451-4∶1995 道路車輛 窄帶輻射電磁能量造成的電騷擾 車輛試驗方法 第4部分:體效應電流注入(BCI)
ISO 11452-1∶1995 道路車輛 窄帶輻射電磁能量造成的電騷擾 部件試驗方法 第1部分:總則和定義
ISO 11452-2∶1995 道路車輛 窄帶輻射電磁能量造成的電騷擾 部件試驗方法 第2部分:吸收襯室
ISO 11452-3∶1996 道路車輛 窄帶輻射電磁能量造成的電騷擾 部件試驗方法 第3部分:橫電磁波(TEM)室
ISO 11452-4∶1995 道路車輛 窄帶輻射電磁能量造成的電騷擾 部件試驗方法 第4部分:體效應電流注入(BCI)
ISO 11452-5∶1995 道路車輛 窄帶輻射電磁能量造成的電騷擾 部件試驗方法 第5部分:帶狀傳輸線
ISO/DIS 11452-6∶1997 道路車輛 窄帶輻射電磁能量造成的電騷擾 部件試驗方法 第6部分:平行板天線
ISO 11452-7∶1995 道路車輛 窄帶輻射電磁能量造成的電騷擾 部件試驗方法 第7部分:直接射頻(RF)功率注入
注:以上20個引用標準的譯文由全國安全防范報警系統標準化技術委員會(TC100)秘書處提供。
3 定義
本標準采用下列定義。
3.1 車輛防盜報警系統vehicle security alarm systems——VSAS
安裝在車輛上,在設置警戒狀態下將侵入或盜用車輛的行為指示出來的一種系統(VSAS)。
3.2 主機 control equipment
VSAS用于處理設置警戒和解除警戒指令并接受探測器/傳感器發出的信號、控制告警裝置指示出報警狀態的裝置。
3.3 探測器/傳感器detector/sensor
感知并產生信號、以使主機進入報警狀態的部件。
3.4 報警狀態alarm condition
表明要探測的行為業已發生的狀態。
3.5 設置警戒set
使報警狀態能夠指示出來的一種狀態。
3.6 解除警戒unset
使報警狀態不能指示出來的一種狀態。
3.7 設置/解除警戒裝置setting-unsetting device
用于使VSAS進入設置警戒或解除警戒狀態的一種裝置(部件)。
3.8 告警裝置warning device
VSAS的用以提示出報警狀態的部件。
3.9 故意操作裝置(提供應急告警)deliberately operated device(panic alarm)
安裝在車上,無論VSAS處于設置警戒或解除警戒狀態都可使告警裝置發出報警的裝置。
3.10 狀態顯示器status display
用以顯示出VSAS所處狀態的部件。
3.11 止動裝置immobilizer
阻止使用車輛自身發動機的裝置。
3.12 周邊防護perimeter protection
用于探測打開任何車門、行李廂門、前蓋或發動機倉蓋的行為并發出信號的功能和裝置。
3.13 立體防護volumetric protection
用于探測侵入和在乘員廂內移動的行為并發出信號的功能和裝置。
3.14 鑰匙key
一種用于操作VSAS的裝置,并且設計和制造成該VSAS只能由其操作。
4 技術要求
4.1 系統概述
VSAS應包括一個或數個探測器/傳感器、主機(含設置/解除警戒的裝置)、電源、一個或數個告警裝置以及止動車輛的裝置。它們均應符合本標準的技術要求及所有法定要求。
VSAS應至少包括一個聲響告警裝置,此外還可包括光學告警裝置或遠距離無線信號裝置,或這些裝置的任意組合。
VSAS可以包括顯示本身狀態信息的光學顯示裝置。
VSAS可以包括顯示本身狀態信息變化的光學顯示裝置
1]。
VSAS可以包括其他附加裝置,但它們必須符合本標準要求。如果VSAS包含無線發射部件,還必須符合這些無線設備使用、管理的相關規定
2]。
注:圖1中所示方框圖表明組成VSAS必須的(實線)或可能的(虛線)各部件間連接關系。
4.2 系統設計
4.2.1 總則
VSAS在設置警戒狀態下應探測出任何車門、行李廂門、前蓋或發動機倉蓋被打開并發出告警信號;如果獨立的止動系統未能實現止動車輛,則VSAS還應能阻止車輛依靠自身動力移動。
VSAS的所有部件應相互適配,并且在完成安裝后處于解除警戒狀態下不影響原車性能。VSAS無論處于設置警戒或解除警戒狀態,不得意外改變其狀態,也不得引起任何告警裝置報警或中止報警。
VSAS的故障或其電源的故障不得影響原車的安全操作
3]。
因電源發生中斷,恢復供電后VSAS應不改變狀態。
任何光學裝置的故障都不得影響VSAS其他部分的正常工作。
VSAS及其部件和由它們控制的各部分都應以盡可能降低誤報警的方法設計、制造和安裝。
注:VSAS各部分都應在安裝后防止被未經授權的人員迅速、無意地解除警戒使之失效,或是用廉價的、隱蔽的、一般公眾能夠攜帶和配備的工具所破壞
4]。
4.2.2 探測
VSAS必須能提供車輛周邊防護,即能在下述情況下產生探測信號:
——打開車門;
——打開行李廂門或蓋;
——打開前蓋或發動機倉蓋。
VSAS可包括其他的傳感器以便探測到對車輛的其他干擾或入侵(如未經許可使用發動機,車窗被打破,車內有物體移動,外力抬高、降低或移動車輛等
5])。這類附加傳感器的操作功能可由用戶人為地撤銷。然而,這種功能撤銷僅在VSAS的一個設置警戒周期內才有效。
VSAS可包括一個可在車內啟動的故意操作裝置(應急報警)。VSAS不論是在設置警戒狀態還是在解除警戒狀態,該裝置都必須能使聲響告警裝置工作,但是它不得影響車輛的起動和(或)行駛。
_________________
采用說明:
1]根據我國重視防止噪聲擾民的具體情況,取消了IEC 839-10-1原文此段落中的聲響顯示裝置。
2]我國對無線設備使用、管理有相關規定,在此提出要求。
3]參照參考標準內容增加了此段,以強調安全性要求。
4]參照參考標準內容增強了注釋中防止被破壞的內容。
5]參照參考標準內容增加了括號中說明干擾和入侵的內容。
該裝置還可使光學和(或)無線報警信號裝置工作,但與VSAS的狀態(設置警戒或解除警戒)和(或)功能無關。此種報警必須從車內觸發,并且不得影響VSAS的狀態。還必須能由車輛用戶取消這種報警。在發出聲響告警信號的情況下,每次的發聲持續時間不得受到限制。這樣一種裝置不能止動發動機或發動機正在工作時不得使它停止轉動。
4.2.3 控制
主機應具備接受探測器/傳感器信號的電路接口。
當VSAS處于設置警戒狀態時,主機應監控傳感器/探測器并在發生報警狀態時,1s內向告警裝置發出報警控制信號,報警結束后VSAS仍應處于設置警戒狀態1]。主機還應符合4.2.6要求發出止動控制信號2]。
以正常方法使VSAS處于解除警戒狀態時,應在1s內取消報警狀態和報警信號,并停止對止動汽車的控制2]。
4.2.4 設置警或/解除警式
VSAS可以包括光學顯示器3],以顯示設置警戒/解除警戒狀態下的信息以及狀態改變的信息。
用于顯示VSAS的設置警戒/解除警戒狀態改變的光學信號可利用車輛的故障警示燈、乘員廂燈或示廓燈(包括所用相同電路的燈)或上述燈的組合。每次顯示時間不應超過3s。
無論VSAS處于設置警戒或解除警戒狀態及這些狀態轉換時,都不能引發非告警聲響4]。
4.2.4.1 設置警戒
VSAS可采用任何適當的方法設置警戒(但這些方法不能有意無意地引起誤報警)5]。
在4.2.2中所述的周邊防護應在VSAS實現設置警戒步驟后的10s內進入防護狀態。供選用的探測器/傳感器則應在VSAS實現設置警戒步驟后的60s內進入防護狀態。
4.2.4.2 解除警戒
VSAS的任何部件都不能有任何顯示解除密碼的可見指示。
使VSAS解除警戒可采用下述方法之一或其組合。
a) 如果使用機械式鑰匙開關
這種開關應具備下述方式這一:
——一種機械與開關的組合鑰匙;或
——與一個獨立開關結合使用的門鎖機構,在此情況下,利用內部的門鎖機構不能使VSAS解除警戒。
鑰匙開關的圓柱不能從機殼內伸出1mm以上,且伸出部分應為錐形或凸形。
圓柱體與其殼體間的聯接部分應能承受600N的拉力并應能單獨承受25Nm的扭矩。
鑰匙開關應具有圓柱孔阻斷。
鑰匙的齒形應至少具備1000種有效排列。
即使一把鑰匙只有一個排列與鑰匙開關配套鑰匙的對應排列不相符,就不能打開鑰匙開關。
外置鑰匙開關的匙孔應裝上活蓋或用其他方法防止進入塵土或水。
__________
采用說明:
1] 根據 IEC839-10-1標準4.2.3,4.2.4.1,4.2.5.1有關內容,在設置警戒狀態下要求每次探測觸發報警,因而報警結束后VSAS仍應處于警戒狀態。
2] 將IEC 839-10-1標準4.2.6、5.2.2中與控制、止動有關的內容也在此表述,更為明確。
3] 根據我國重視防止噪聲擾民的具體情況,取消了IEC 839-10-1原文此段落中的使用聲響顯示裝置和顯示發聲的聲級內容。
4] 根據我國重視防止噪聲擾民的具體情況以及參考標準的相關內容,增加了此段。
5] 根據IEC 839-10-1標準4.2.1“總則”的要求和我國重視防止誤報警的具體情況,增加了括號內的內容。
b) 如果使用編碼的鑰匙開關
這種編碼鑰匙開關應安裝在車內并限定輸入密碼時間,見d)。
這種開關編碼不應少于10000種有效組合。
c) 如果使用電氣/電子裝置但不是b)中所述的
這種電氣/電子裝置,即遙控式開關,應具有至少50000種有效組合的編碼發射信號,且每5000種改變編碼組合至少經24h掃描時間,或是包含滾動碼、跳動碼等自動改變組合的密碼1],但要求24h內獲得正確碼的概率小于4%。
d) 如果用于輸入密碼的開關或操作裝置是安裝在有防護措施的乘員廂內
則這種開關或操作裝置安裝于車內應限時輸入密碼,允許開關后使VSAS解除警戒的時間不小于5s又不大于15s。
4.2.5 告警信號
報警狀態由聲響告警信號指示出來。
這種聲響告警信號應由下述方式之一產生:
——聲響告警裝置;或
——符合ISO 512規定的聲響信號裝置;或
——上述兩者,在此情況下兩者不能相互影響工作。
聲響告警信號不能造成告警原因的任何混亂,也不能發出與道路交通中使用的其他信號相同的聲音(如警車、救護車、消防車等使用的緊急勤務信號2])。
報警狀態還可用一個或多個光學告警信號或用遠距離無線信號或是它們的組合來指示。
每探測到一次信號就應觸發告警信號,而不受探測次數的限制。
注:探測器/傳感器探測信號應以盡可能降低誤報警的方法處理,經確認是防護必須發出的信號,再觸發告警裝置3]。
4.2.5.1 聲響告警信號

聲響告警信號必須處于1800~3550Hz的頻帶內。
最大聲級不超過125dB(A)、不低于105dB(A);若在人口稠密地區使用,允許聲響告警裝置降低聲級20dB(A)
4]。
聲響告警信號應具有以下特征。
a) 固定音調
聲音應為間歇性的:
——間歇頻率:2Hz±1Hz;
——發聲時間等于停止時間±10%。
b) 調制音調
聲音應為兩個或更多的頻率或這些頻率之間的掃頻。
4.2.5.2 光學告警信號(選用)
如選用光學告警信號,可由車上的各轉向指示燈和(或)各示廓燈(包括所有與它們相連的燈)發出。此外,也可由乘員廂內的燈發出。
_______________
采用說明:
1] 由于技術發展,此處增加了密碼種類。
2] 在括號內增加了對緊急勤務信號的說明性內容。
3] 為防止誤報警,根據4.2.1“總則”的要求,增加了此段注釋。
4] 根據我國人口稠密地區較多、車庫少,又重視防止擾民的具體情況,允許適當降低聲級。
光學告警信號應符合法定限制。
每次探測,光學告警信號應持續25~300s。
光學告警信號應為間歇性的;
——間歇頻率:2Hz±1Hz;
——發光時間等于停止時間±10%。
相對于聲響告警信號,光學告警信號可以是同步的或不同步的。
光學告警裝置的任可干擾或損壞都不應妨礙聲響告警裝置的工作,反之也一樣。
4.2.6 止動
車輛應在VSAS被設置警戒后的1s內被自動止動,除非它已被一個獨立的止動器所止動。
如使用一種現有的止動裝置,則該止動裝置應符合本標準的要求。
如果發動機正在運轉或車輛點火開關已處在發動機運轉位置,則止動不得發生。
止動裝置至少應包含兩種獨立的阻止車輛依靠本身動力移動的方法,適用的獨立止動方法舉例如下:
——防止未經許可使用原裝的機械防護裝置;
——斷開起動機;
——斷開點火;
——中止燃油供應。
止動裝置的設計、制造和安裝應確保在它萬一發生故障的情況下達到:
——無論VSAS處于設置警戒狀態或解除警戒狀態,都不應影響車輛的安全功能;
——當VSAS處于解除警戒狀態時,不應影響車輛及其部件的性能。
4.2.7 電源
4.2.7.1 主電源
VSAS的主電源應為車輛的蓄電池。
電源電壓在環境溫度范圍內應符合:
——標稱電源電壓:12V;
——電源電壓范圍:9V<U<15V。
在設置警戒狀態下,在標稱電壓時的VSAS及其所有探測器/傳感器的電流消耗不得超過20mA(平均值)。
注:在本標準出版后不超過五年的時間內將會對本標準首次修訂,目標是修訂時或修訂前本項要求降至在標稱電壓時電流消耗不超過10mA。
4.2.7.2 VSAS的備用電源(選用)
VSAS的備用電源應由可重復充電的電池及充電器組成。一次性電池不得用作備用電源。備用電源的容量應充分保證報警系統在靜態時工作不小于120h,在報警狀態時工作不小于300s。
4.2.7.3 自備電源的聲響裝置(選用)
如采用自備電源的聲響裝置,則應由可重復充電的電池及充電器供電。不得利用一次性電池作為自備電源。選用電池的容量應充分保證聲響裝置至少發聲300s。當主電源被切斷或停止供電時,聲響裝置應自動發聲。
當該聲響裝置的任一條或全部連線被切斷或斷路時也應自動發聲。
4.2.8 結構
VSAS及其部件的設計、制造和安裝應適應車內環境條件。
兩種環境溫度的分級規定如下。
a) 安裝在乘員廂或行李廂內的部件為-40~+85℃。
b) 若無另行規定,安裝在發動機倉的部件為-40~+125℃。
按照IEC 529的要求,外殼防護等級規定如下:
——代號IP 40適用于安裝在乘員廂內的部件;
——代號IP 42適用于安裝在雙門蓬車/敞蓬車和帶天窗小客車的乘員廂內的部件(如果安裝位置的要求高于IP 40中的防護級別時);
——代號IP 54適用于所有其他的部件。
VSAS的制造廠應在安裝說明中明確與灰塵、水和溫度有關的各安裝部件的各種限制。
4.3 文件提供
制造廠或進口商應為其每套VSAS提供。
——使用說明;
——維護說明;
——能量消耗。
車輛交付后安裝VSAS時,應提供適于安裝該系統的車種、車型清單及安裝說明。該清單可以列出專用的車種、車型,也可以列出通用的車種、車型,如“適用于所有使用汽油發動機并12V蓄電池負極接鐵的小客車”。
對VSAS及其部件的安裝、改動、替換或另外增加的部分可能造成的危害,應在提供的說明中提出警告1]。
5 試驗
5.1 總則
提交試驗的完整系統應按照制造廠提供的說明書配套。若未特別說明,每個部件應按制造廠推薦的方法以適于正常使用的狀態裝在試驗臺上。
VSAS的輸入端應與能提供或模擬產生恰當的輸入信號的裝置或電路連接。
VSAS的各輸出端應與適當的監控設備連接。
若未特別說明,VSAS應由標稱電壓12V±0.2V的電源供電。
若未特別說明,應采用表1中給出的試驗條件。
表1 大氣條件

在有關技術條件認為按這些標準大氣條件進行測量不現實的地方,應在試驗報告中注明實際條件。
試驗應在一套完整的VSAS上進行,該系統應處于充分工作的狀態。若未特別說明,該系統應處于設置警戒狀態。
5.2 試驗規程
5.2.1 全功能試驗
對VSAS進行全功能試驗,以驗證其是否符合第4章要求。
該試驗應在其他各項試驗進行之前和完成之后進行。
第一次功能試驗的結果應記錄,并與隨后的基本試驗結果相比較。
在試驗期間,無論VSAS處于設置警戒狀態或解除警戒狀態,都不能發生狀態相互變化,也不能導致任何告警裝置告警或停止告警。
______________
采用說明:
1] 根據我國實際應用中發生的問題以及參考標準的相關內容,增加了此段。
5.2.2 基本試驗、
基本試驗在每一個試驗程序完成時進行。
此外,在規定的試驗程序進行中也應進行基本試驗。
基本試驗按下述要求進行:
a) 檢查VSAS是否處于解除警戒狀態;
b) 使VSAS處于設置警戒狀態;
c) 檢查對止動器電路的輸出是否已在1s內起作用;
d) 操作探測器/傳感器引發報警狀態;
e) 檢查對告警裝置電路的輸出是否按照4.2.3要求已起作用;
f) 使VSAS處于解除警戒狀態
g) 檢查對止動器電路的輸出是否已取消;
h) 檢查對告警裝置的輸出是否不再起作用。
在試驗期間,無論VSAS處于設置警戒狀態或解除警戒狀態,都不能發生狀態相互變化,也不能導致任何告警裝置告警或停止告警。
5.3 試驗條件
用作光學告警裝置的一部分而使用的,以及包括在標準小客車照明系統中的燈不進行下述試驗。
5.3.1 電氣試驗
5.3.1.1 過電壓
無論VSAS處于設置警戒狀態或解除警戒狀態,應能承受18V±0.2V、時間為1h的過電壓。
在此之后,VSAS仍能滿足在基本試驗中的要求。
無論VSAS處于設置警戒狀態或解除警戒狀態,應能承受24V±0.2V、時間為1min的過電壓。
在此之后,VSAS仍能滿足在基本試驗中的要求。
5.3.1.2 短路
對VSAS的每個獨立的外接點依次和電源的每極施加短路。
更換燒杯的保險。
在此之后,VSAS仍能滿足在基本試驗中的要求。
5.3.1.3 反轉極性
對VSAS電源線以相反極性施加13V±0.2V的電壓、時間為1min。
更換燒壞的保險。
在此之后,VSAS仍能滿足在基本試驗中的要求。
5.3.1.4 電壓下降和(或)撤除
在解除警戒狀態下,切斷VSAS電源300s±10s。重新接通電源,VSAS的狀態不應變化。
在設置警戒狀態下重復以上試驗。
電源電壓以每小時降低1V±0.1V的速率從標稱值降低至7.5V,VSAS的狀態及其輸出不應改變。
重新接通標稱電壓電源,VSAS的狀態不應改變。
注:在這項試驗期間,應斷開所有選用的備用電源或自備電源的聲響裝置。
5.3.1.5 溫度和電源電壓
經過表2中及4.2.8中給定條件的試驗后,VSAS應滿足在基本試驗中的要求。
表2 溫度和電壓

各部件在規定的溫度中保溫4h后再進行試驗。
5.3.2 溫度和濕度加速老化
在下述各種條件下,VSAS應能滿足基本試驗中的要求。
VSAS的部件中(除電池外),設計用于-40~+85℃環境溫度的應按上限+85℃進行試驗,設計用于-40~+125℃的應按上限+125℃進行試驗。
試驗包括以下試驗程序的10個循環、每次循環時間為24h(見圖2)。
a) 需按+125℃試驗的項目從f)至j)項應按+125℃的分級試驗溫度進行試驗。然后將VSAS全部齊套,從b)至j)項按+85℃的分級試驗溫度進行試驗。
注:分級試驗溫度指試驗溫度為+85℃或+125℃
1]。
b) 在45%~75%相對顯度下,保持溫度為+23℃±5℃,時間為4h;
c) 在95%~99%相對濕度下,0.5h內升溫至+55℃±2℃;
d) 在95%~99%相對濕度下,保持溫度為+55℃±2℃,時間為10h;
e) 在2.5h內降溫至-40℃±2℃;
f) 保持溫度為-40℃±2℃,時間為2h;
g) 按4.2.8要求在1.5h內升溫至分級試驗溫度±2℃;
h) 按4.2.8要求保持分級試驗溫度±2℃,時間為2h;
j) 1.5h內降溫至+23℃±5℃。
本試驗的最后一個循環在達到凝露點時結束,并且VSAS仍滿足5.2.2的基本試驗要求。
注
1 試驗程序e)、f)、g)、h)進行期間,相對濕度不控制。
2 如需要時,可按相應的分級試驗溫度增加g)步驟,以縮短b)時間。
3 在一次循環結束時,可中斷試驗。中斷期間,試驗樣機應保持在b)中所規定的大氣條件下。中斷時間應記錄在試驗報告中。
4 試驗循環的圖解見圖2。
5 以上所述各種試驗溫度不是安裝在發動機倉內的部件所應承受的最高溫度。如果部件擬安裝在帶頂蓋或機罩的發動機附近,則對該部件的試驗溫度應從+125℃再增高15℃。
5.3.3 腐蝕
對不用在乘員廂中的所有部件應按IEC 68-2-11的要求進行144h的腐蝕試驗。這項試驗應在不加電條件下進行。在此試驗之后,VSAS應滿足基本試驗中的要求。
5.3.4 振動
進行本項試驗將部件分為兩種類型。
——類型1:通常安裝在車上的部件;
——類型2:擬附加到發動機上的部件。
對VSAS和各個部件應進行正弦振動方式的試驗,特性如下。
_________________
采用說明:
1] 根據IEC 839-10-1標準4.2.8、5.3.2的規定數值,分級試驗溫度應為“+85℃或+125℃”。
a) 用于類型1
振動頻率從10~500Hz,最大振幅±0.5mm,最大加速度29.4m/s2(3g)。
b) 用于類型2
振動頻率從20~300Hz,最大振幅±2mm,最大加速度147.2m/s2(15g)。
在上述兩種情況中:
——頻率變化為1倍頻程/min;
——循環10次,試驗應按三軸的每一個軸向進行;
——在最大恒定振幅條件下進行低頻振動試驗,在最大恒定加速度條件下進行高頻振動試驗。
試驗后,VSAS應滿足基本試驗的要求。
5.3.5 碰撞
碰撞試驗設施和規程應按IEC 68-2-29的要求。
將VSAS置于試驗臺上,確保所有外接線纜和接點齊全并固定好,模擬出正常使用狀態,所有的手持裝置也包含在內。
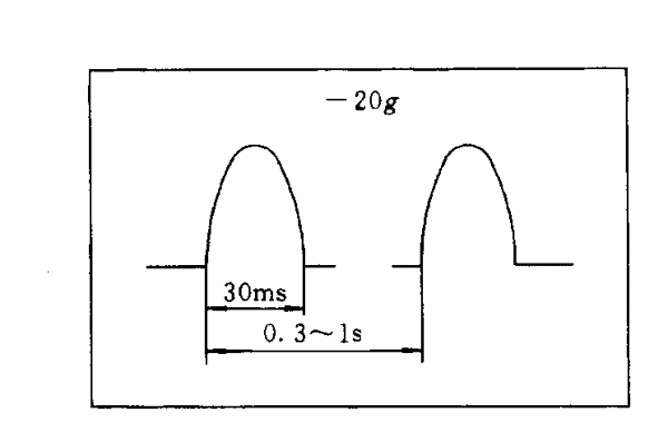
施以表3給定的值和圖3所示波形。
表3 限定的嚴酷等級

經過3個方面的碰撞后,VSAS應滿足基本試驗要求,并且目視檢查機械損傷情況。
5.3.6 跌落
所有手持裝置(如遙控器)都應從1m±0.01m高處向水泥地面進行5次自由落體試驗。
試驗后,該裝置應功能正常并且沒有破損。
5.3.7 電磁兼容性
注
1 電磁兼容性試驗按5.3.7.1和5.3.7.2進行,取決于試驗設備。
2 但應指出汽車制造業目前使用的是方法A。
5.3.7.1 方法A
a) 對電源線傳導騷擾的抗擾性
按ISO 7637-1的要求,對電源線施加試驗脈沖1、2、3a、3b、4、5,并對有可能與電源導線相連的VSAS的其他接頭也施加同樣的試驗脈沖。
VSAS處于解除警戒狀態
以嚴酷等級Ⅲ施加試驗脈沖1~5。施加的所有試驗脈沖要求的功能狀態應為A。
VSAS處于設置警戒狀態。
施加試驗脈沖1~5。施加的所有試驗脈沖要求的功能狀態在表4中給出。
表4 嚴酷等級/功能狀態(加在電源線上)

b) 對傳感器線耦合騷擾的抗擾性
對未與電源線連接的引線(如特定的傳感器線)應按ISO 7637-3的要求試驗。施加的所有試驗脈沖要求的功能狀態在表5中給出。
表5 嚴酷等級/功能狀態(加在傳感器線上)

c) 對高頻輻射騷擾的抗擾性
在一輛車上試驗VSAS的抗擾性可按照ISO 11451-1~11451-4的方法之一進行,或按照ISO11452-1~11452-7的方法之一在試驗室試驗。
試驗應采用嚴酷等級Ⅱ。在試驗期間及試驗后應保持功能狀態A,嚴酷等級的值見ISO 11451和ISO 11452的相關部分,功能狀態的描述則見這兩個標準的第一部分。
d) 靜電放電形成的電騷擾
對這種電騷擾的抗擾性試驗按ISO/TR 10605要求進行。
e) 電臺頻率干擾(RFI)抑制
試驗按照CISPR12有關條款進行。
5.3.7.2 方法B
a) 電磁場
VSAS應通過基本試驗,再按IEC839-1-3中的試驗A-13進行電磁場試驗,頻率范圍達到1000MHz、50V/m。
b) 電脈沖
VSAS應符合ISO7637-1和ISO 7637-3中的電騷擾經傳導及耦合試驗要求。
c) 對高頻輻射騷擾的抗擾性
VSAS應符合ISO 11452-1~11452-7中的對高頻輻射騷擾的抗擾性試驗。
d) 靜電放電形成的電騷擾
VSAS應通過基本試驗,再按IEC 839-1-3中的試驗A-11(嚴酷等級Ⅲ)進行靜電放電試驗,或按ISO/TR 10605的要求進行對靜電放電的抗擾性試驗。
e) 電臺頻率干擾(RFI)抑制
VSAS應按CISPR 12的相關條款進行電臺頻率干擾抑制的試驗。
f) 尖峰電脈沖
VSAS應通過基本試驗,再按IEC 839-1-3中試驗A-9(嚴酷等級Ⅳ)進行尖峰電脈沖試驗。
5.3.8 聲響裝置的耐久性試驗
聲響裝置每次工作30s±1s,共20次,間歇10s±1s。
試驗后,聲響裝置應符合4.2.5.1的聲壓級要求。
5.3.9 報警系統的耐久性試驗
標準試驗循環:設置警戒,觸發報警,解除警戒。
在聲響裝置開始發聲后解除警戒2s±1s。
循環共5000次,其中每第20次循環時在聲響裝置自動停止發聲后解除警戒。
報警由所有的探測器/傳感器交替觸發,如有10個探測器/傳感器(包括選用的非周邊型傳感器),則每個觸發500次。
5.3.10 空間防護/立體防護或附加傳感器/探測系統功能試驗
1]。
空間防護/立體防護或附加傳感器/探測器系統(若選用時)應單獨測試,因此在本標準中未作要求,但對具體的傳感器/探測器應按其自定的技術要求進行試驗。
安裝有空間防護系統的VSAS的試驗,作為試驗示例見附錄A(提示的附錄)。
5.3.11 誤報警試驗
2] 安裝有空間防護/立體防護或附加傳感器/探測器系統的VSAS,其誤報警試驗要求和方法見附錄B(提示的附錄)。
5.3.12 聲響告警信號
符合4.2.5.1的最大聲壓級應按照ISO 512的6.1、6.2和6.4測量。
5.3.13 試驗矩陣
編號樣品應符合表6中的內容進行試驗。其中試驗次數在一次以上的樣品,試驗應按表中順序進行。
只要試驗要求都能滿足,則試樣的數量可以減少。
表6 試驗矩陣

6 標志與標記
VSAS的主機應標有下述信息,標示方法應以從車外部看不到為好:
——制造廠家或注冊商標;
類型和(或)型號,其中類型區分可以包括主機種類、探測器/傳感器種類、告警裝置種類等信息
3];
——批號或制造日期。
______________
采用說明:
1] 為了和附錄A、附錄B配合,根據3.13定義和4.2.2“探測”的內容,在5.3.9中包含了各類可選用的探測系統,若選用了,不僅要求功能試驗,還要求誤報警試驗(見5.3.11)。
2] 為了和5.3.10、附錄A、附錄B配合,提高可靠性,防止誤報警,增加了5.3.11。
3] 參照參考標準的有關內容,增加了類型區分的說明性內容。

圖1 方框圖
_______________
采用說明:
1] 為防止噪聲擾民,與對4.1、4.2.4作出的修改相同,取消了狀態改變利用聲響指示。

圖2 溫度/濕度循環

圖3 波形
__________________
采用說明:
1]IEC 839-10-1標準的原圖標注數字與正文的數值不符,因而采用5.3.2中列舉的數值,同時變動了圖中坐標標注。
附錄A
?。ㄌ崾镜母戒洠?BR> 空間防護系統的功能試驗
A1 空間防護系統的功能試驗(當安裝時)
A1.1 示例1
系統應能對侵入車內及在車內的移動物體進行探測并發出告警信號。
模擬入侵:移動一個15cm直徑的球,速度0.1~1.0m/s,沿側窗(窗戶關閉)以X或Y方向移動。
為了試驗對車內移動物體的探測情況,移動一個15cm直徑的球,速度0.1~1.0m/s,從駕駛員/乘員座位中間的車輛中心移動至打開的窗戶(窗戶原關閉)。
A1.2 示例2
當直徑165mm±10mm的球穿過任一打開的車窗進入乘員廂內至少0.3m時(如圖A1所示),報警裝置應報警。
試驗用球由木質或塑料構成,固定在最大直徑3cm的桿上。
球進入車內時,速度為0.1~0.4m/s,與車的縱向中心平面成45°±2°角。
A1.3 示例3
a) 試驗準備
在線性步進電機上裝一塊板,電機裝在汽車乘員廂內。
板的尺寸:高150mm;寬100mm。
板上蒙薄橡膠皮。
線性步進電機的配置見圖A2。
b) 試驗順序
階段1
系統調整(在被試系統探測靈敏度可手動調整時實施)
1) 依靠乘員廂內探測觸發報警確定最低移動速度(板在兩個方向上移動)。
2) 當最低速度與要求一致時開始階段2,否則調整靈敏度直至最低速度符合要求。
階段2
1) 速度靈敏度試驗
乘員廂內探測響應通過使用能測速度0.09~2.10m/s的設備來測試(板在兩個方向上移動)。
板的每次移動測量以規定的速度重復5次。
板的速度靈敏度特性試驗見圖A3。
2) 響應試驗
乘員廂內防護響應通過使用能測定0.1~0.7s的設備來測試(板在兩個方向上移動)。
板的每次移動測量以規定的速度重復5次。
移動響應特性試驗見圖A4。

圖A1 示例2

圖A2 線性步進電機的配置

圖A3 速度靈敏度特性試驗

圖A4 移動響應特性試驗
附錄B
(提示的附錄)
誤報警試驗
在VSAS設置警戒狀態下進行下述試驗,不應發生誤報警,不能引發不必要的聲響或燈光,而且VSAS狀態不應發生改變。
B1 碰撞車輛
選用的防護系統對振動、沖擊、碰撞或敲擊車體等敏感(包括對隨之產生的聲頻敏感)時,應進行本項試驗。
對按制造廠說明安裝了VSAS的小客車,關閉車門、車窗后,用橡膠球進行以下試驗:
a) 以直徑165mm±10mm的橡膠球體碰撞車身,在車身前、后、左、右共四個部位施加4.5J的碰撞,每部位不少于5次。
b) 每次以20個重量60g的橡膠球向車身跌落,依次在車體三個部位(如發動機倉蓋、駕駛室頂部和行李廂蓋)的上方2m處使所有球體向車身自由跌落。
B2 車外人員移動和觸摸車體
選用的防護系統對人體移動或人體接近、接觸車體敏感時,應進行本項試驗。
按制造廠說明安裝了VSAS的小客車,關閉車門、車窗后,人本距車體0.2m,以0.1~1m/s的不同速度環繞車體移動和任意觸摸車體的前、后、左、右不同部位。
B3 沖水
選用的防護系統及安裝對水的浸漬或噴淋敏感時,應進行本項試驗。
按制造廠說明安裝了VSAS的小客車,關閉車門、車窗后,用出水孔數大于80個、出水孔直徑為2.6mm、噴淋頭直徑為100mm的噴淋裝置,自來水壓力大于200kPa,在被試驗車上方,距車身2m處以0°~45°角向車身沖水。試驗時將全車均分為三段,各進行1min試驗。
B4 風干擾
選用的防護系統對氣流敏感以及對氣流引起的車體振動敏感(如包含拾音器、振動傳感器、超聲波傳感器等的防護系統)時,應進行本項試驗。
按制造廠說明安裝了VSAS的小客車,關閉車門、車窗后,風機距車身外側2m處,風向與車身表面成45°~90°角,調整風機的供電電壓,在車身表面10cm處使風速達到4~8級范圍,按正弦規律變化,周期從5~30s,試驗時間為300s。
B5 聲干擾
選用了對聲頻(含超聲波)敏感器件的防護系統時,應進行本項試驗。
按制造廠說明安裝了VSAS的小客車,關閉車門、車窗后,車輛前、后、左、右共四個部位各經受一次頻率30~3550Hz、聲壓級120dB±5dB(在距聲源最近的車身表面處測量)的掃頻和調制聲干擾試驗,每次試驗時間不少于1min。在進行調制聲干擾試驗時可選用符合4.2.5.1要求的聲響告警信號裝置作為聲源。