
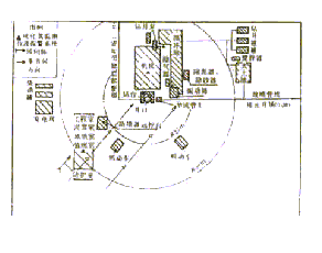
圖1 鉆機設備及井場儲量示意圖
5.2當空氣中硫化氫含量超過安全臨界濃度時,監測儀能自動報警,其音響應使井場工作人員皆能聽到。二層臺應裝設音響報警器。
5.3含硫地區的井隊,井場工作人員,必須配備便攜式硫化氫監測器。
5.4硫化氫監測儀器應進行周檢和強檢。
5.5鉆入氣層時應加密對鉆井液中硫化氫的測定。
5.6在新構造上鉆第一口探井時,應采取相應的硫化氫監測和預防措施。
6 井控設備的安裝和材質
6.1安裝
6.1.1根據地層的壓力梯度配備相應壓力等級的防噴器組合及井控管匯等設備,并按要求進行安裝、固定和試壓。
6.1.2鉆井井口和套管的連接,每條防噴管線的高壓區都不允許焊接。
6.1.3放噴管線應裝兩條,其夾角為90度,并接出井場100m以外(見圖1),若風向改變時,至少有一條能安全使用。
6.1.4壓井管線至少有一條在季節風的上風方向,以便必要時放置其它設備(如壓裂車等)作壓井用。
6.1.5井控設備(和管材)在安裝、使用前應進行無損探傷。
6.1.6井控設備(和管材)及其配件在儲運過程中,需采取措施避免碰撞和被敲打;應注明鋼級、嚴格分類保管并帶有產品合格證和說明書。
6.2材質
6.2.1鋼材
鋼的屈服極限不大于65MPa,硬度最大為HRC22。若需使用屈服極限和硬度比上述要求高的鋼材,必須經適當的熱處理(如調質、固溶處理等)并在含硫化氫介質環境中試驗,證實其具有抗硫化氫應力腐蝕開裂性能后,方可采用。
6.2.2非金屬材料
凡密封件選用的非金屬材料,應具有在硫化氫環境中能長期使用而不失效的性能。
7 鉆井設計的特殊要求
7.1在含硫地區的鉆井設計中,應注明含硫地層及其深度和預計含量。
7.2若預計硫化氫分壓大于0.21kPa時,必須使用抗硫套管、鉆桿等其它管材。
7.3當井下溫度高于93 ℃時,套管和鉆鋌可不考慮其抗硫性能。
7.4高壓含硫地區可采用厚壁鉆桿。
7.5鉆開含硫地層的設計鉆井液密度,其安全附加密度在規定的油井0.05~0.10g/cm3,氣井0.07~0.15g/cm3選用上限值。
7.6井隊必須有足量的高密度鉆井液(超過鉆進用鉆井液密度0.1g /cm3以上)和加重材料儲備。高密度鉆井液的儲存量一般是筒容積的1~2倍。
7.7在鉆開含硫地層后,要求鉆井液的PH值始終控制在9.5以上,并選用相適應的加重材料。若采用鋁制鉆具時PH值不得超過10.5。
7.8嚴格限制在含硫地層用常規式中途測試工具進行地層測試工作,若必須進行時,應減少鉆柱在硫化氫中的浸泡時間。
7.9必須對井場周圍2km以內的居民住宅、學校、廠礦等進行勘測,并在設計書上標明位置。在有硫化氫溢出井口的危險情況下,應通知上述單位人員迅速撤離。
8 鉆井安全操作
8.1必須制定一個完整的對井隊進行救援的計劃。在進入氣層前應和醫院、消防部門取得聯系。
8.2在即將鉆入含硫地層時,應對鉆井隊進行一次防硫化氫安全教育,并向當班的各崗位人員發出警告信號。
8.3在高含硫地區即將鉆入油氣層和在油氣層中鉆進時,以及發生井涌、井噴后,應有醫生、救護車、技安人員在井場值班。
8.4嚴格按設計鉆井液密度配制鉆井液。未征得上級技術部門的同意,不得修改設計鉆井液密度。經隨鉆壓力監測發現地層壓力異常時,應及時調整鉆井液密度以保持井內壓力平衡。
8.5做到及時發現溢流顯示,迅速控制井口,并盡快調整鉆井液密度壓井。
8.6利用鉆井液除氣器和除硫劑,控制鉆井液中硫化氫的含量在75mg/m3以下,并隨時對鉆井液的PH值進行監測。
8.7在油氣層和油氣層以上起鉆時,前十根立柱起鉆速度應控制在0.5m/s以內。
8.8在油氣層和鉆過油氣層進行起下鉆作業時,必須進行短程起下鉆。
8.9在含硫地層取心起鉆,當取心工具離地面還有五柱時,鉆臺作業人員應戴上防毒面具,直到取出巖心筒。
8.10鋼材,尤其是鉆桿,其使用拉應力需控制在鋼材屈服極限的60%以下。
8.11在油氣層鉆進時,若在井場動用電、氣焊,必須采取絕對安全的防火措施,并報上級安全部門批準。
8.12當在硫化氫含量超過安全臨界濃度的污染區進行必要的作業時,必須配帶防護器具,且至少有兩人同在一起工作,以便相互救護。
8.13井隊在現有條件下不能實施井控作業而決定放噴點火時,點火人員應配帶防護器具,并在上風方向,離火口距離不得少于10m,用點火槍遠程射擊。
8.14控制住井噴后,應對井場各個崗位和可能積聚硫化氫的地方進行濃度檢測。只有在安全臨界濃度以下時,人員方能進入。
9 鉆井人員的安全鉆井培訓
9.1培訓工作包括井控技術培訓和硫化氫防護技術培訓。硫化氫防護技術培訓內容見附錄A(補充件),鉆井人員只有取得井控培訓的合格證者,才有資格在含硫地區從事鉆井作業。
9.2在鉆井作業中,應進行含硫化氫井噴演習,包括配帶防護器具進行井控作業及人員救護等工作。
附 錄 A
硫化氫防護技術培訓內容 (補充件)
A1 了解硫化氫的物理化學性質和對設備、人體帶來的危害,以及鉆遇硫化氫可能產生的嚴重后果。
A1.1 硫化氫的物理化學性質
硫化氫是一種無色、劇毒、強酸性氣體。低濃度的硫化氫氣體有臭蛋味。其相對密度為1.176,較空氣重。硫化氫燃點250℃,燃燒時呈藍色火焰,產生有毒的二氧化硫。硫化氫與空氣混合,濃度達4.3% ~ 46%時就形成一種爆炸混合物。
A1.2 硫化氫對人體的危害
硫化氫的毒性較一氧化碳大五至六倍,幾乎與氰同樣劇毒。不同濃度的硫化氫對人體的危害見表1。
表1 不同濃度的硫化氫對人體的危害

注:本參數表是在103.42kPa和15.55℃的條件下得出的。
A1.3 硫化氫對金屬材料的腐蝕
硫化氫溶于水形成弱酸,對金屬的腐蝕形式有電化學失重腐蝕、氫脆和硫化物應力腐蝕開裂,以后兩者為主,一般統稱為氫脆破壞。氫脆破壞往往造成井下管柱的突然斷落、地面管匯和儀表的爆破、井口裝置的破壞,甚至發生嚴重的井噴失控或著火事故。
A1.4 硫化氫能加速非金屬材料的老化
在地面設備、井口裝置、井下工具中、有橡膠、浸油石黑、石棉等非金屬材料制作的密封件。它們在硫化氫環境中使用一定時間后,橡膠會產生鼓泡脹大、失去彈性;浸油石墨及石棉繩上的油被溶解而導致密封件的失效。
A1.5 硫化氫對鉆井液的污染
硫化氫主要是對水基鉆井液有較大的污染。它會使鉆井液性能發生很大變化,如密度下降、PH值下降、粘度上升,以至形成流不動的凍膠;顏色變為瓦灰色、墨色或墨綠色。
A2 了解井場地形、鉆機設備位置與本地季節風方向之間的關系、硫化氫監測儀器放置情況、報警器音響特點和風標位置,以及安全撤退路線等。
A3 掌握鉆井安全操作中的各項措施和規定。
A4 掌握防毒面具、供氧呼吸器等防護器具及硫化氫監測儀器的性能和使用方法,具備救護硫化氫中毒人員的知識和基本技能。
附加說明:
本標準由石油鉆井工程專業標準化委員會提出并技術歸口。
本標準由四川石油管理局鉆采工藝研究所負責起草。
本標準主要起草人高碧樺。
C5-C10混合烯烴中含氧化合物的測定 …
1,2,4-三甲基苯純度及烴類雜質的測…
高酸原油加工裝置設備和管道設計選材…
高硫原油加工裝置設備和管道設計選材…
有機熱載體熱穩定性測定法 氣相色譜…
塑料 發泡用聚丙烯(PP)樹脂
重負荷車輛齒輪油(GL-5)換油指標
液化烴球形儲罐安全設計規范
石油化工靜電接地設計規范【作廢】
石油化工企業衛生防護距離
小型石油庫及汽車加油站設計規范
石油化工企業可燃氣體和有毒氣體檢測…
易燃和可燃液體基本分類
石油企業職工個人勞動防護用品管理及…
石油工業動火作業安全規程
天然氣汽車和液化石油氣汽車 標志