此外,還有扁套管式燃燒器,由一個扁火孔套著三根燃氣管組成,如圖3—6—7所示。噴出的火焰呈扇狀,適用于以爐底加熱為主的鍛工爐等。
還有群管式燃燒器、臺式工燈等,使擴散燃燒過程能滿足不同的工藝要求。
2.旋流式燃燒器
其結構特點是燃燒器本身帶有旋流配風器,往往采用的是蝸殼或者是導流葉片。空氣在配風器作用下產生旋流,燃氣則從分流器的噴孔或縫隙中噴出,二者強烈混合進入火道或爐膛中燃燒。
根據旋流器的結構和供氣方式,這種燃燒器可做成多種形式。如導流葉片旋流式燃燒器,可分為軸向葉片旋流和切向葉片族流,其中又都有中心供燃氣和周邊供燃氣兩種不同結構,如圖3—6—8為中心供氣導流葉片式。
?


空氣以2000Pa的壓力供入,經過導流葉片2形成旋流,并與中心孔口流出的燃氣進行混合,然后經噴口4進入火道或燃燒室繼續進行混合和燃燒。使用人工燃氣時,其壓力約為800Pa;使用天然氣時,其壓力約為3000Pa。當使用天然氣時,中心孔口需安裝燃氣旋流器,使燃氣也形成旋流,以加強氣流混合。
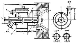
此外,還有蝸殼旋流式,分中心供燃氣蝸殼旋流式(如圖3—6—9)及周邊供燃氣蝸殼旋流式等。
3.平流式燃燒器
這種燃燒器在風道中心裝有穩焰器。穩焰器可以是一個直徑較小的軸向葉片旋流器,也可以是1到2塊多孔板等。穩焰器能使一小部分空氣形成旋流或低速回流,以穩定火焰;大部分空氣則平行流動,以較高的流速進入火道與燃氣混合燃燒。與旋流式比較,平流燃燒器更合理地組織了空氣流動,空氣通道阻力小,鼓風耗電也少。
多孔板式有單塊和雙塊,這類燃燒器包括多孔板式、多槍式、文丘里管式等。圖3—6—10所示為單塊多孔板子流式燃燒器。燃氣從中心管一端上的16個切向方孔噴出,大部分空氣經導流片從周邊流出與燃氣混合,而少部分空氣則經多孔穩焰板流出,空氣與燃氣混合后進入火道或爐膛燃燒。由于通過小孔的空氣產生紊流,形成了局部低速回流,使燃燒火焰穩定,火焰呈黃色,有較強輻射能力。
?


(二)鼓風式燃燒器的特點和應用范圍
鼓風式燃燒器熱負荷調節范圍大,調節系數一般大于5%,單體熱負荷大時燃燒器結構緊湊;可以預熱空氣或燃氣,預熱溫度甚至可接近燃氣著火溫度,這對高溫工業爐是很必要的;可利用低壓燃氣;能適應正壓爐膛;容易實現煤粉—燃氣、油—燃氣聯合燃燒。
但它需要鼓風,消耗電能;燃燒室容積熱強度通常比完全預混燃燒器小,火焰較長,因而需要較大的燃燒室容積;一般情況下,本身不具備燃、空混合比的自調性,需配置調節裝置。
根據上述特點,鼓風式燃燒器主要用于各類工業爐及鍋爐。
三、擴散式燃燒器的設計計算
如圖3—6—5,鼓風式擴散燃燒器主要由配風器、燃氣分流器及火道組成。旋流配風器的結構有蝸殼和導流葉片兩種。下面以邊緣供氣蝸殼式燃燒器為例,闡述這類燃燒器的設計計算方法。
(一)空氣系統計算
1.計算空氣通道面積Fp
?

式中 Q——燃燒器熱負荷,kW;
Qp——噴頭熱強度,通常QP=(35~40)×103,kW/m2
2.確定蝸殼結構比
?

蝸殼供氣的型式如圖3—6—11,進風管截面積與蝸殼內圓直徑平方之比即??

?稱為蝸殼結構比。它直接影響空氣的旋流程度,a值越小,蝸殼結構比就越小,空氣流相對于燃燒器中心軸線的力矩越大,旋轉加劇,加快了氣流混合,燃燒火焰亦短;但阻力損失也將增大。所以蝸殼結構比也不宜過小,通常取為0.35~0.4。根據結構比,就可確定蝸殼尺寸。
?

3.確定空氣實際通道的寬度△
由于空氣流的旋轉,它在通道內是螺旋向前的,這樣中心出現一個回流區,它是一個穩定的,強烈點火源。
所以,空氣的實際通道只是沿著邊緣的環形通道,其寬度,
?

式中 Dbf——回流區直徑,cm。
回流區的尺寸與蝸殼結構有關,可按表3—6—5確定。
?

4.計算空氣的實際流速va
空氣在環形通道內螺旋運動,實際流速:
?

?

?
科技賦能,AI強安——談AI技術在石油…
危險化學品安全技術說明書(PDF版)
170種危險化學品安全技術說明書匯編
化工企業冬季安全生產須知——防火篇
化工企業冬季安全生產須知——防凍凝篇
有限空間作業如何預防窒息和中毒
有限空間作業切記注意安全!
夏季有限空間作業安全風險防范
危險化學品目錄(2015版)
危險化學品分類及其危險特性
對制度落實不到位的原因調查及解決辦…
職工安全生產的權利和義務
危險化學品的儲存
有限空間作業安全知識
柴油罐的存放
加油站安全知識手冊