?

裝車時,關閉閥門11和13,打開閥門12和8,使烴泵的出口管與罐車液相管接通,泵的入口管與儲罐液相管相通,開啟烴泵,液化石油氣便由儲罐進入罐車。這時,液化石油氣的流向與圖示箭頭方向相反。
為加快裝卸,保證烴泵入口管路的靜壓頭,在開啟烴泵前,應先將罐車與儲罐之間的液化石油氣氣相管道直接接通,以便在裝卸過程中平衡二者之間的壓力。
采用烴泵裝卸時,液化石油氣液相管道上任何一點的壓力不得低于操作溫度下的飽和蒸氣壓力,管道上任何一點的溫度不得高于相應管道內飽和壓力下的飽和溫度,以防止液化石油氣在管內產生氣體沸騰現象,造成“氣塞”,使烴泵空轉。因此,在泵的吸入管路上必須要有避免液態石油氣發生汽化的靜壓頭,并保證依靠儲罐或罐車內壓力及液位差,使泵能被液化石油氣全部充滿。
3.操作程序
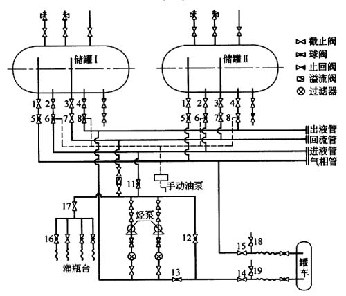
以圖1-5-5為例,罐車卸、裝前的準備工作如下:
??? ①罐車停放在裝卸臺后拉上制動手閘,在車輪下墊制動塊,防止車輛意外滑動。
②檢查確認罐車、儲罐壓力和溫度在允許范圍內后,打開罐車閥門箱,將罐車氣、液相閥門與相應的裝卸軟管連接牢固,并接好消除靜電的裝置。
③開啟罐車氣、液相緊急切斷閥,打開軟管排空閥門18、19,然后稍開罐車氣、液相球閥對軟管空氣進行排除,當閥門18、19有液化石油氣噴出時,隨即關閉閥門18、19,再將氣、液相球閥全開。
④開啟儲罐氣相閥門5和泵站閥門15,使罐車和儲罐二者氣相壓力平衡。
烴泵卸液作業程序如下:
?、匍_啟儲罐進液閥門6,關閉閥門12,開啟泵站液相閥門11、13、14(裝有緊急切斷裝置時,應首先開啟手動油泵加壓打開緊急切斷閥)。
?、诎礋N泵操作規程啟動烴泵,液化石油氣經液相軟管、閥門14、13、過濾器、烴泵和閥門6、11進入儲罐,罐車處于卸液狀態。
③當罐車液位達零位時立即停泵,關閉泵站閥門14、15和儲罐進液閥門6,關閉罐車緊急切斷閥和氣、液相球閥。
?、荛_啟排空閥門18、19或罐車放散閥,卸掉軟管中壓力,拆除軟管解離罐車,卸車作業完畢。
烴泵裝車作業程序如下:
?、匍_啟儲罐出液閥門8和氣相閥門5,關閉泵站閥門13、14,開啟罐車充裝閥門12 (有緊急切斷裝置時應首先用手動油泵打開緊急切斷閥)。
?、诎葱?、裝準備工作程序,做好罐車停放,軟管接通和空氣排空等各項準備工作。
?、蹤z查確認已具備烴泵啟動條件時,啟動烴泵運轉,儲罐內液化石油氣經出液閥門8、過濾器、烴泵、閥門12和14、液相軟管進入罐車,罐車處于充裝狀態。
?、墚敼捃囈何贿_到最大允裝量時立即停泵,關閉氣、液相閥門14、15和12,關閉儲罐出液閥門8,關閉罐車,緊急切斷閥和氣、液相球閥。
⑤開罐車氣、液相放散閥或閥門18、19,對輸送軟管泄壓,確認無壓力時,拆卸軟管,拆除接地鏈,解離罐車,裝車作業完畢。
4.烴泵裝、卸作業注意事項
罐車在裝、卸過程中,駕駛員、押運員必須在場配合機泵操作員做好裝卸操作工作,同時應注意罐車的穩固情況和管路有無泄漏等異常現象。
泵站氣、液相軟管接通工藝管道后應注意排凈管內空氣,并防止空氣進入管路系統。軟管拆卸時應先泄壓,避免拆卸時造成事故。
裝卸中防止緊急切斷閥自行關閉,造成烴泵空轉。同時嚴密監視容器液位和壓力的變化。卸車時,當進液儲罐達到允裝重量液位時,應立即倒入另一儲罐,嚴禁過量充裝。
遇有雷雨和暴風天氣,應停止裝卸,當液化氣儲配站存有嚴重泄漏或報警器發出警報,以及工藝設備、管路出現異常時,必須立即停止罐車裝卸作業,并查明原因,及時排除。
裝卸作業過程結束后,操作人員應及時正確地填寫操作記錄和運行記錄。
烴泵裝卸法工藝系統簡單,管理也方便,但必須解決好烴泵入口端的靜壓問題。另外烴泵卸液不能完全排空,液化石油氣有一定損失。
三、加熱裝卸法
1.原理
利用液化石油氣受熱后飽和蒸氣壓力顯著提高的特性,以蒸汽或熱水作為加熱源, 在不改變容器容積的條件下,使液化石油氣的壓力增高,在罐車與儲罐之間形成一定的壓力差,作為裝卸液化石油氣的動力。
2.工藝流程
液化石油氣加熱裝卸法的工藝流程如圖1-5-6所示。由圖可看出,中間儲罐中的部分液態液化石油氣通過汽化器被加熱汽化,蒸發的液化石油氣除小部分到中間儲罐的上部空間作平衡作用外,其余大部分進入罐車內的上部空間,使罐車的上部空間形成較高壓力,將罐車內的液態液化石油氣壓入儲罐4。由于儲罐的氣相閥門10和閥門2處于關閉狀態,強制汽化的氣體不能進入儲罐,而只能由閥門8進入罐車,這樣就造成了罐車與儲罐之間的壓差,迫使罐車內的液體流入儲罐,從而達到卸車的目的。
經閥門3進入中間儲罐的小部分氣體,起到保持中間儲罐與汽化器的壓力平衡作用,從而使中間儲罐內的液體繼續不斷地進入汽化器,來維持卸車所需的壓力差,使卸車過程得以完成。
反過來,只需把罐車的氣相閥門關閉,打開儲罐的氣相閥門,這樣就使儲罐內的氣相壓力升高而罐車不增壓,形成了儲罐向罐車裝液的壓差,迫使儲罐的液體流入罐車而實現裝車的目的。
?

圖1-5-6 液化石油氣加熱裝卸法的工藝流程
1-中間儲罐;2-汽化器;3-罐車;4-儲罐
科技賦能,AI強安——談AI技術在石油…
危險化學品安全技術說明書(PDF版)
170種危險化學品安全技術說明書匯編
化工企業冬季安全生產須知——防火篇
化工企業冬季安全生產須知——防凍凝篇
有限空間作業如何預防窒息和中毒
有限空間作業切記注意安全!
夏季有限空間作業安全風險防范
危險化學品目錄(2015版)
危險化學品分類及其危險特性
對制度落實不到位的原因調查及解決辦…
職工安全生產的權利和義務
危險化學品的儲存
有限空間作業安全知識
柴油罐的存放
加油站安全知識手冊