一前言
2015年全國氮氧化物排放量1851.9萬噸,其中,水泥排放氮氧化物約占全國排放總量的10%,僅次于火電和機動車行業,位居第三。2016年年底,國務院印發《“十三五”節能減排綜合工作方案》,提出到2020年氮氧化物排放總量比2015年下降15%以上的主要目標。《水泥工業大氣污染物排放標準》(GB 4915-2013)要求氮氧化物排放限值400 mg/Nm3,重點地區320 mg/Nm3;在氮氧化物排放要求日趨嚴格背景下,2017年5月,江蘇省環保廳《關于開展全省非電行業氮氧化物深度減排的通知》要求,水泥行業2019年6月1日前氮氧化物排放不高于100 mg/Nm3;2018年9月,《唐山市生態環境深度整治攻堅月行動方案》提出氮氧化物排放濃度不高于50 mg/Nm3。
現行的脫硝技術大體分為氧化法脫硝和催化還原法脫硝。氧化法脫硝采用強氧化劑,如臭氧、亞氯酸鈉等強氧化劑,把NOx氧化成高價氮氧化物,然后通過水或者堿液體進行吸收,但是存在耗電高、二次污染物廢水排放問題。催化還原法,一般指SCR法,因其無二次污染排放問題,脫硝效率高,可以實現超凈排放,運行可靠穩定、適應負荷波動等優點,廣泛的應用在各個工礦企業中。SCR脫硝技術作為全世界應用最廣泛高效的氮氧化物脫除技術,符合水泥行業日趨嚴格的氮氧化物排放要求,是一種理想的水泥窯脫硝技術。研究高效水泥窯SCR脫硝技術,具有現實意義。
二水泥窯尾煙氣特點
(1)NOx含量高,為300~1300mg/Nm3。
(2)濕度大,水含量8~16%;水蒸氣露點一般為45~55℃。
(3)粉塵含量高,煙塵濃度達60~120 g/Nm3,并含有堿土金屬氧化物等腐蝕性成分。
(4)粉塵粒徑小(小于10μm的顆粒約占75~90%)、比電阻高,除塵難度大。
(5)粉塵中堿金屬氧化物含量高。
以上這些煙氣特點均增加了脫硝的難度和投資成本。
表1某水泥窯尾飛灰與燃煤鍋爐飛灰主要成分對比

三水泥窯尾煙氣SCR脫硝難點
目前,國外有一些水泥生產線 SCR運行案例,但未見其長期穩定運行且各項指標滿意、完全可推廣的技術案例報導,其主要原因是,水泥生產工藝的高效脫硝技術路線尚達不到電廠燃煤鍋爐脫硝技術的成熟度和可靠度。自2018年起,國內有幾個水泥窯SCR脫硝工程陸續開始建設,但到目前為止還沒有長期穩定運行的報導,幾個項目中投運時間較長的已經暴露出催化劑堵塞問題。水泥窯尾預熱器出來的煙氣中粉塵含量高達60~120 g/Nm3,且存在大量的堿土金屬CaO,通過催化劑時,有堵塞催化劑的風險,易加快催化劑的磨損,同時催化劑在含高鈣飛灰的煙氣中長期運行會逐漸失活,這是水泥窯尾煙氣SCR脫硝必須要解決的難點。造成催化劑失活的幾種可能原因是:
(1)氧化鈣造成微孔的堵塞
水泥窯尾飛灰中CaO含量高,粘性大;且飛灰粒徑小,大部分在10μm以下。飛灰與催化劑接觸時極易吸附在催化劑表面堵塞催化劑微孔,造成催化劑活性下降。但是CaO在飛灰中相對其他成分與催化劑組分的親和性不是特別突出,并不是特別容易擴散進入催化劑中的組分。此外,相對化學作用,物理作用一般是可逆的。通過周期性的吹灰可以將沉積在催化劑表面的飛灰及時去除,故CaO對催化劑微孔的堵塞一般不是活性下降的主要原因。
(2)氧化鈣的堿性造成催化劑酸性下降
由于CaO自身是含有堿性的物質,而目前使用的V2O5基催化劑中的活性位是酸性的,沉積在催化劑表面的 CaO會中和催化劑表面的酸位,阻斷催化反應的發生。水泥窯尾飛灰濃度高、飛灰中含鈣量高, CaO的堿性對催化劑的影響應引起重視。
(3)生成的CaSO4引起活性下降
由于沉積在催化劑表面的CaO與煙氣中的SO3反應生成的 CaSO4,而造成催化劑微孔的堵塞是催化劑性能下降的主要原因。CaO中毒機理包括四個步驟。
步驟 1 – CaO附著到催化劑表面上的宏觀孔中。
步驟 2 – SO3滲漏CaO顆粒周圍的氣膜。
步驟 3 – SO3擴散到CaO顆粒中。
步驟 4 – 隨著SO3向CaO顆粒中擴散到,它與CaO反應,生成CaSO4。
在CaO中毒過程中,CaO首先在催化劑表面沉積,沉積速度相對較慢。沉積在催化劑表面的CaO與煙氣中SO3的反應屬于氣固反應,由于在催化劑表面有活性物質催化氧化SO2生成SO3,SO3濃度相對較高,反應速度為快速反應。快速反應生成的CaSO4的體積會膨脹14%左右,會遮蔽反應活性位,堵塞催化劑表面,影響反應物在催化劑微孔結構內的擴散。在 CaO 中毒機理中,其中CaO的沉積速度相對較慢,是控制關鍵,降低CaO在催化劑表面的沉積量是減緩催化劑中毒的有效手段。
四水泥窯尾煙氣SCR脫硝技術路線
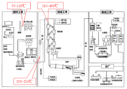
針對水泥窯尾煙氣可進行的SCR脫硝的三個位置如下圖所示,分別是預熱器出口的310~450℃的中高溫煙氣,余熱鍋爐出口的200~210℃的中低溫煙氣和窯尾除塵器出口的70~120℃低溫排放尾氣。

圖1水泥窯煙氣SCR脫硝位置示意圖
4.1中溫脫硝技術路線
310~450℃溫度區間脫硝,脫硝活性高,催化劑用量少,無需加熱再生設備,運行成本低,可實現長期穩定可靠運行。水泥窯爐的窯尾出口煙氣溫度約310~450℃,是最佳SCR脫硝溫度反應區,但是該處粉塵含量高、堿金屬含量高,會導致催化劑堿中毒和堵塞,影響中高溫SCR脫硝劑的使用壽命,因此需要將煙氣除塵后再送入SCR反應器。 “高溫除塵+中溫SCR 脫硝”的工藝路線無需額外補能就可以實現長期穩定運行,使水泥生產中的除塵脫硝工藝具備高效減排、節能節材的明顯優勢。
4.2中低溫脫硝技術路線
200~210℃溫度段脫硝,催化劑活性較低,用量較大,且這個溫度段是硫銨生成的最佳溫度段。煙氣中SO3與NH3反應生成硫銨副產物,易糊堵催化劑,引起催化劑失活,且硫銨粘性大,難以使用吹灰器吹掉。因此,需要采用增設加熱再生裝置的方式,不定期將煙氣加熱到350℃來緩解硫銨對催化劑的影響。但是這樣增加了系統的復雜性,且對后續風機及設備提出了新的要求。
4.3低溫脫硝技術路線
70~120℃的脫硝催化劑國內外報道的應用很少,成功應用案例也很少,目前國內的低溫催化劑起活溫度一般≥150℃。在70~120℃溫度區間,催化劑活性很低,催化劑使用量大,價格昂貴,工程造價高。在此溫度下煙氣成分對活性有很大影響,需要煙氣幾乎無塵,SO2含量小于10mg/Nm3,水含量也很少。目前水泥行業煙氣中的水含量較高,達到8~16%,低溫下水對催化劑活性影響非常大,H2O會和反應物NH3搶奪催化劑表面的活性位,導致催化劑迅速失活,尤其當水含量>10%,尤為明顯。同時煙氣中也有少量硫和堿金屬,運行中長期累積在催化劑表面,極易導致催化劑失活。
在70~120℃溫度段和200~210℃溫度段進行脫硝,如果采用“熱風爐+GGH”的工藝,將煙氣加熱到250~280℃,再進行SCR脫硝,雖然脫硝效率可以得到保證,但是水泥窯煙氣量大,不僅設備的投資費用很高,而且加熱煙氣所消耗的燃料量也相當巨大,運行成本也非常高。
五華電光大水泥煙氣脫硝用催化劑
北京華電光大環境股份有限公司依托華北電力大學,組建了自己的研發生產團隊,脫硝催化劑具有完全自主知識產權。在對水泥窯尾煙氣脫硝技術充分論證、廣泛調研的基礎上,結合自身技術優勢,華電光大研發出適用于水泥窯尾煙氣的脫硝催化劑。該催化劑主要有以下特點:
5.1抗堵灰能力強
華電光大水泥煙氣脫硝用催化劑為板式催化劑。板式催化劑的源初設計就是為了滿足高灰的煙氣的脫硝而誕生和發展起來的。板式催化劑相對于蜂窩催化劑具有節距大,孔道角落少,不易形成低流速區等特點,能有效避免飛灰的堆積、堵塞催化劑孔道。同時,板式脫硝催化劑以金屬鋼網為基材,具有柔性結構,煙氣流過板式催化劑時,催化劑單板在煙氣中不停振動,使飛灰難以附著于催化劑表面。此外,華電光大充分發揮自主產權優勢,通過以下方式優化提高了脫硝催化劑的抗堵灰能力,具體如下:

圖2華電光大板式脫硝催化劑
(1)根據設計條件合理選擇催化劑。水泥窯尾灰分粒徑小,而且堿土金屬含量高,導致灰分有粘性,催化劑孔道容易積灰,因此在催化劑選型時采用的是間距>6mm,開孔率不低于88%的板式催化劑,并在催化劑模塊的頂部加裝濾灰網板,避免煙氣的大顆粒(爆米花)飛灰進入催化劑通道內造成催化劑的堵塞。
(2)華電光大所用不銹鋼網板全部為自己設計生產,經過反復實驗,有效降低了不銹鋼網板的原始厚度,可在不減少涂敷的物料厚度的同時有效控制產品厚度。因為催化劑壁厚相對減薄,催化劑的柔韌度提升,煙氣在通過催化劑孔道時,會強化催化劑自抖動能力,從而避免了飛灰在催化劑表面的沉積和堵塞催化劑的問題。
(3)華電光大生產的催化劑采用輥面特殊處理工藝增加輥壓力,大幅提高泥料在不銹鋼網板上的粘附性能,提高催化劑的致密度。同時通過調整涂覆工藝,控制催化劑表面光滑度,減少摩擦系數,可以使飛灰不易附著在催化劑表面。
(4)由于催化劑堵塞和磨損經常同時發生,華電光大根據客戶灰分情況調整優化生產工藝,增強其耐磨性能。我公司的板式脫硝催化劑經過西安熱工院的檢測,剝落率僅為0.26%,磨損率為0.016%/kg。催化劑已經過多個項目的驗證,耐磨損性能極強。
另外,板式催化劑與常見的蜂窩催化劑相比,比表面積偏小,所用體積量偏大10%-20%。但在水泥行業卻不存在這樣的問題。目前,水泥行業普遍采用幾何比表面積303m2/m3的13×13孔蜂窩催化劑(開孔率87.5%),而華電光大水泥煙氣脫硝用催化劑的幾何比表面積有283m2/m3(開孔率89.9%)、300m2/m3(開孔率89.0%)、333m2/m3(開孔率88.0%)三種規格,與蜂窩催化劑相近;蜂窩催化劑不再有體積量方面的優勢。

圖3華電光大催化劑在300g/Nm3工況下的實際使用效果
5.2抗堿金屬中毒能力強
針對水泥窯尾煙氣特點,華電光大在常規催化劑的基礎上做了性能改進:開發了具有高效抗堿金屬的脫硝催化劑,在高堿金屬含量飛灰煙氣中具有優異的活性以及長的使用壽命。通過對催化劑進行理論分析、性能評價和表征,分析催化劑中各元素賦存形態與催化劑性能之間的關系,深入了解催化劑中毒原理,并從減緩催化劑化學中毒和物理中毒方面切入,成功開發了抗堿金屬中毒SCR脫硝催化劑。
(1)增加催化劑表面酸性
堿金屬、堿土金屬對催化劑中毒,主要是與活性中心(V)的酸位發生反應,占據酸位導致氨無法吸附在酸位上,造成催化劑活性降低。在此基礎上,ⅥB,ⅠB,Ⅷ副族過度金屬元素,以及稀土金屬可提高催化劑的酸位。通過篩選復配,以及加工方式的優化,比例調整等一系列工作,成功選取了合適的助催化劑,提高了脫硝催化劑整體酸位,增加了氨的吸附位點和堿金屬抗性。從而提高了堿金屬的容量。
(2)添加抗堿金屬助劑
堿金屬、堿土金屬與催化劑的活性中心酸位作用,為了避免催化劑失活或者降低催化劑失活速率,要降低堿金屬、堿土金屬與活性中心酸位的接觸,也就是保護催化劑活性中心。增加堿金屬、堿土金屬與活性中心接觸的能壘和采用活性更高更易與堿金屬發生反應的助劑。我們從這兩方面入手首先選取了可以在二氧化鈦上分散性好同時具有一定空間位阻的助劑,使得堿金屬、堿土金屬不易與催化劑發生反應。
(3)調整催化劑配方
因煙氣飛灰中堿土金屬含量很高,調整了活性物質和助催化劑的比例及加工方式,通過助劑的復配以及加工工藝的改進,提高了整體催化劑的活性。通過浸漬預中毒活性測試以及表觀形貌觀察,催化劑抗堿金屬性能良好。
六華電光大催化劑部分高灰高鈣案例介紹
6.1 山東鄒平魏橋氧化鋁一公司#3爐脫硝工程

6.2 山西平朔2×300MW發電機組脫硝項目

6.3 石家莊誠峰熱電有限公司#5鍋爐脫硝總承包項目


垃圾焚燒煙氣超低排放改造技術探討
生活垃圾焚燒煙氣污染物的控制與處理…
乙烯基酯玻璃鋼在垃圾焚燒煙氣凈化系…
生活垃圾焚燒煙氣凈化處理技術
垃圾焚燒廠煙氣凈化SCR改造設計和脫…
煙氣脫硫副產物的處理與處置
回轉窯焚燒系統危廢處置煙氣CO超標分析
垃圾焚燒發電中的排放氣體控制技術
影響大氣污染的主要因素是什么?
焦爐煙氣脫硫脫硝凈化技術與工藝
硫化物的主要去除方法
脫硫方法的分類
中國CCUS技術發展趨勢分析
高爐煤氣干法除塵布袋周期破損原因分…
新型干法水泥窯捕集純化(減排)二氧…
汽車尾氣污染控制方法